

第1页 / 共27页

第2页 / 共27页

第3页 / 共27页

第4页 / 共27页

第5页 / 共27页

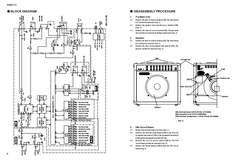
第6页 / 共27页

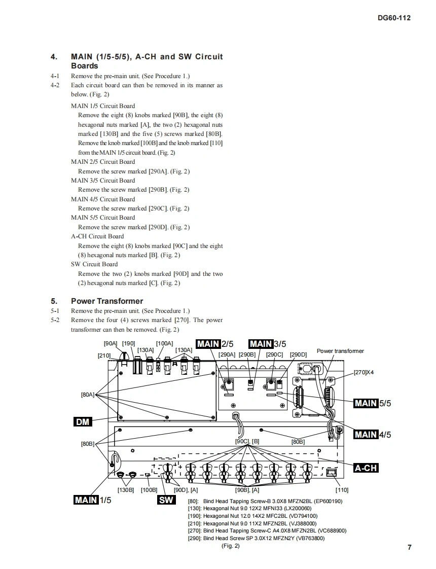
第7页 / 共27页

第8页 / 共27页

第9页 / 共27页

第10页 / 共27页
试读已结束,还剩17页,您可下载完整版后进行离线阅读
THE END
GUITAR AMPLIFIERD6o-mSERVICE MANUAL::球66的剂剂纳裤秀回®YAMAHA■CONTENTSSPECIFICATIONS…3PANEL LAYOUT…4…CIRCUIT BOARD LAYOUT…5…BLOCK DIAGRAM……6DISASSEMBLY PROCEDURE…6…LSI PIN DESCRIPTION…8…IC BLOCK DIAGRAM…小0SELF CHECK AND INSPECTIONS............................2..PARTS LISTOVERALL CIRCUIT DIAGRAMCIRCUIT BOARDSGA011476YAMAHA19990901-65000HAMAMATSU.JAPAN1.615K-455 Printed in Japan 99.08
请登录后查看评论内容