

第1页 / 共49页

第2页 / 共49页

第3页 / 共49页

第4页 / 共49页

第5页 / 共49页

第6页 / 共49页

第7页 / 共49页

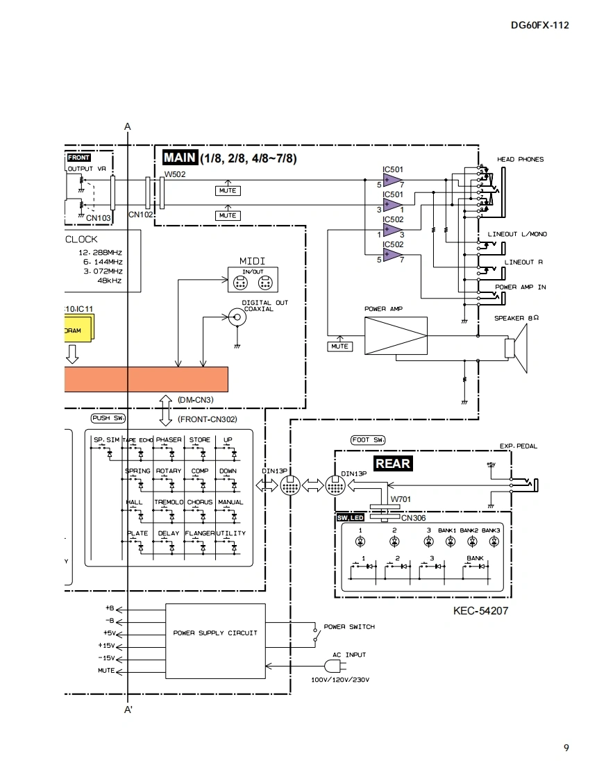
第8页 / 共49页

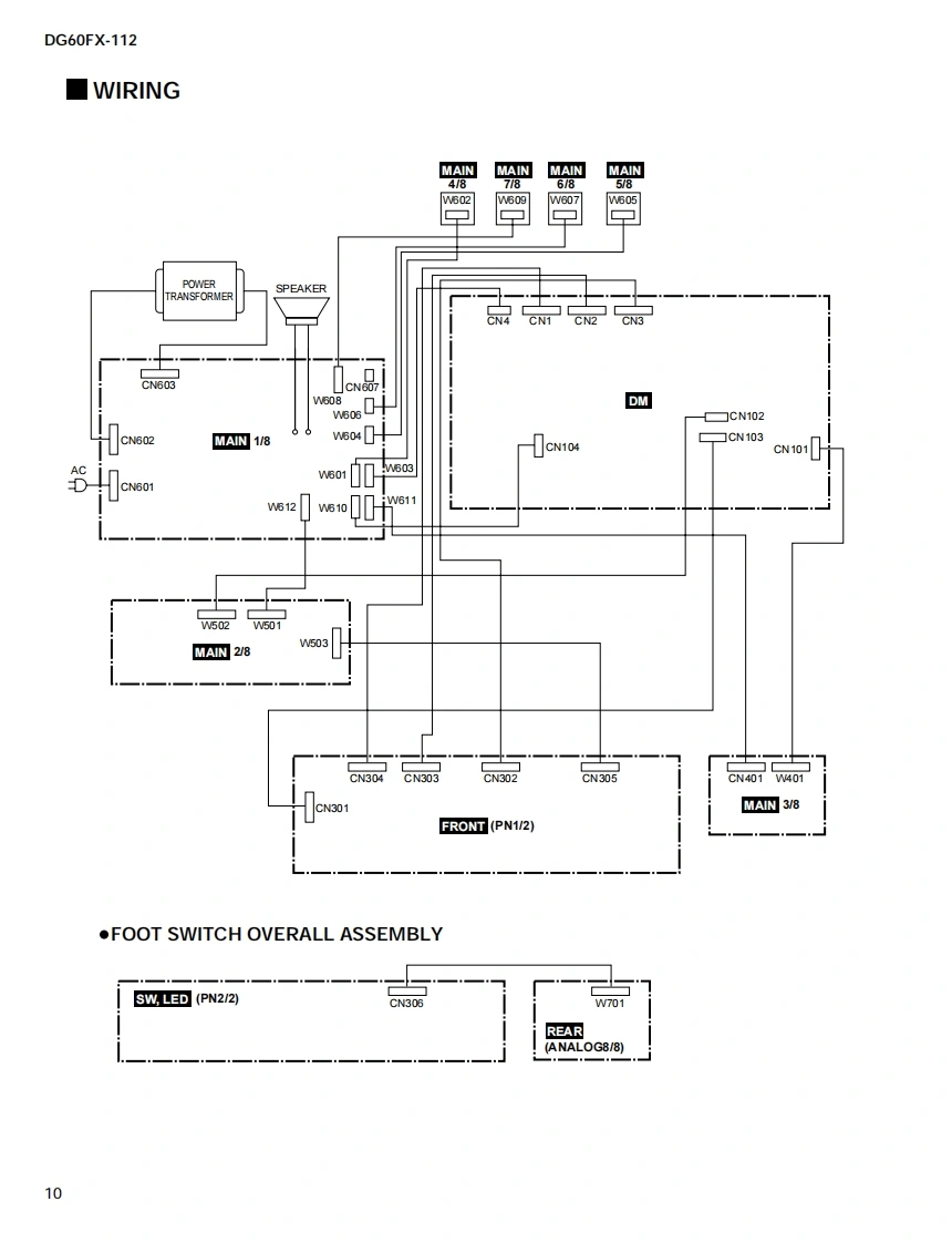
第9页 / 共49页

第10页 / 共49页
试读已结束,还剩39页,您可下载完整版后进行离线阅读
THE END
GUITAR AMPLIFIERDGOFx-1SERVICE MANUAL多YAMAR■CONTENTSSPECIFICATIONS3/4PANEL LAYOUT5CIRCUIT BOARD LAYOUTBLOCK DIAGRAMWIRING10DISASSEMBLY PROCEDURE11LSI PIN DESCRIPTION15IC BLOCK DIAGRAM18CIRCUIT BOARDS20TEST PROGRAM3ERROR MESSAGES33IDLING ADJUSTMENT33MIDI IMPLEMENTATION CHART34PARTS LISTThis document is printed on chlorne fee (ECF)paper with soy ink.OVERALL CIRCUIT DIAGRAMYAMAHAGA011540HAMAMATSU,JAPAN20001101-750001.552K-448 1.TPrinted in Japan 2000.11
请登录后查看评论内容