

第1页 / 共34页

第2页 / 共34页

第3页 / 共34页

第4页 / 共34页

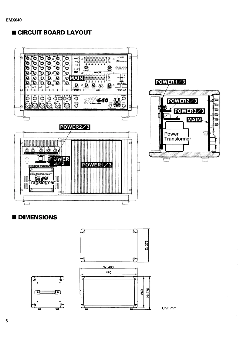
第5页 / 共34页

第6页 / 共34页

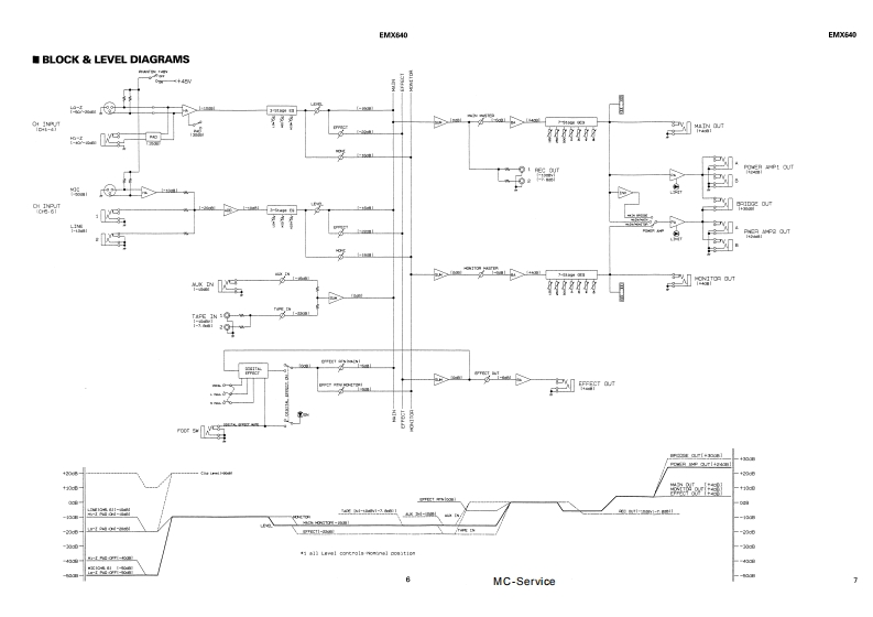
第7页 / 共34页

第8页 / 共34页

第9页 / 共34页

第10页 / 共34页
试读已结束,还剩24页,您可下载完整版后进行离线阅读
THE END
POWERED MIXEREXs4司SERVICE MANUAL65|/6166666/6■CONTENTSSPECIFICATIONS.2PANEL LAYOUT..........CIRCUIT BOARD LAYOUT...DIMENSIONS.....5BLOCK LEVEL DIAGRAMS6DISASSEMBLY PROCEDURE-8LSI PIN DESCRIPTION..........IC BLOCK DIAGRAM小.10-.11CIRCUIT BOARDS..INSPECTIONS..........-.1219CIRCUIT DIAGRAMS....…24PARTS LISTPA011358MC-ServiceYAMAHA CORPHAMAMATSUJAPAN1.68K-814 Printed in Jap n '96.12
请登录后查看评论内容