

第1页 / 共52页

第2页 / 共52页

第3页 / 共52页

第4页 / 共52页

第5页 / 共52页

第6页 / 共52页

第7页 / 共52页

第8页 / 共52页

第9页 / 共52页

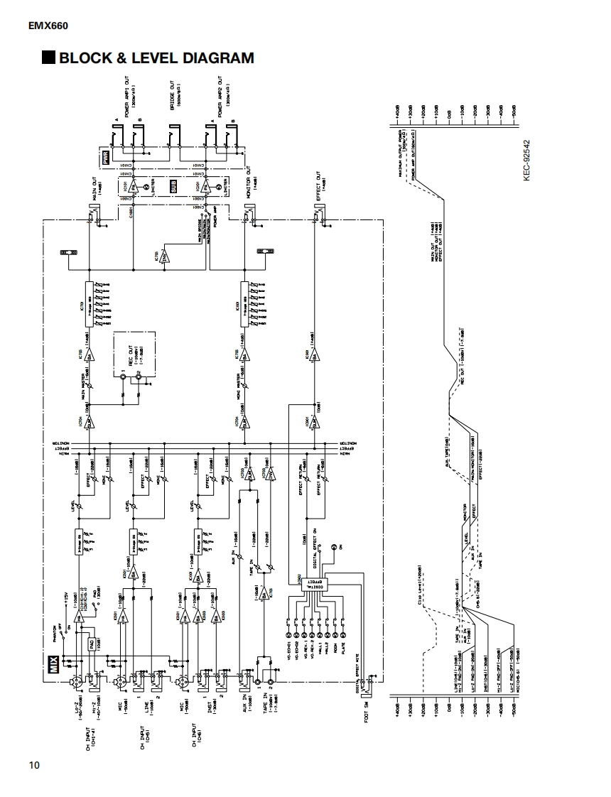
第10页 / 共52页
试读已结束,还剩42页,您可下载完整版后进行离线阅读
THE END
POWERED MIXEREMeeeSERVICE MANUALYAMAHAPOWTR AMPM-5600,09℃05■CONTENTSSPECIFICATIONS3/5DIMENSIONS6PANEL LAYOUTBLOCK LEVEL DIAGRAM*444*44*10CIRCUIT BOARD LAYOUT11DISASSEMBLY PROCEDURE12LSI PIN DESCRIPTION15IC BLOCK DIAGRAM17INSPECTIONS18/23TROUBLE SHOOTING28色SoYoi配PARTS LISTOVERALL CIRCUIT DIAGRAMThis document is prnted on chlorhe fee (ECF)paper with soy inkCIRCUIT BOARDSYAMAHAPA011519HAMAMATSU,JAPAN20000608-748001.45K-479 FTPrinted in Japan 2000.06
请登录后查看评论内容