

第1页 / 共49页

第2页 / 共49页

第3页 / 共49页

第4页 / 共49页

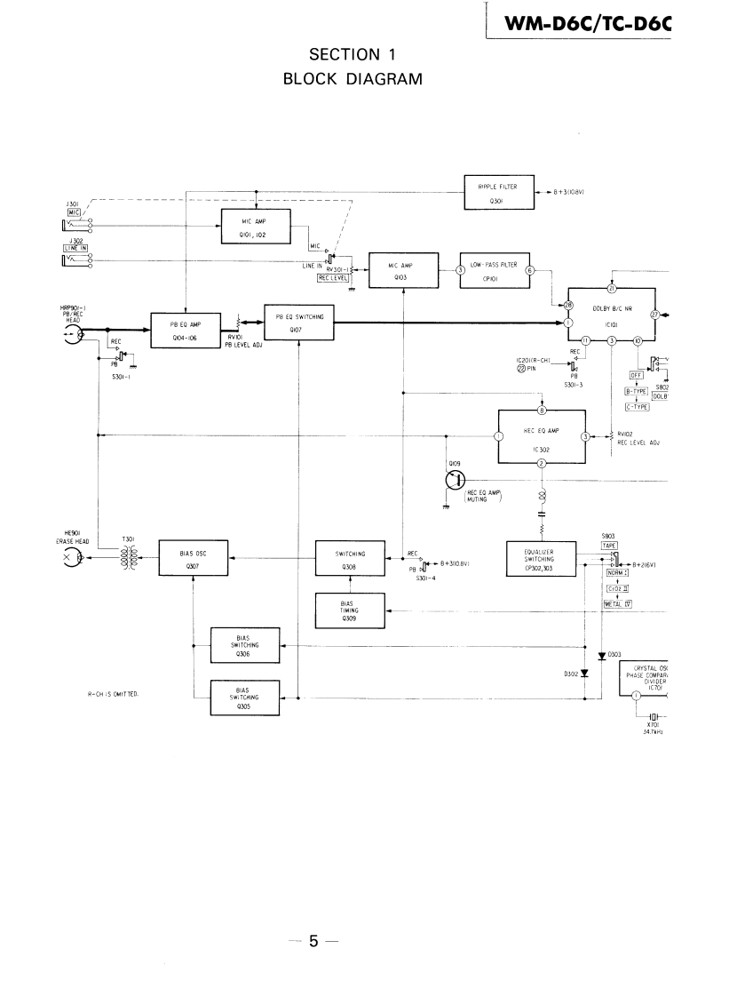
第5页 / 共49页

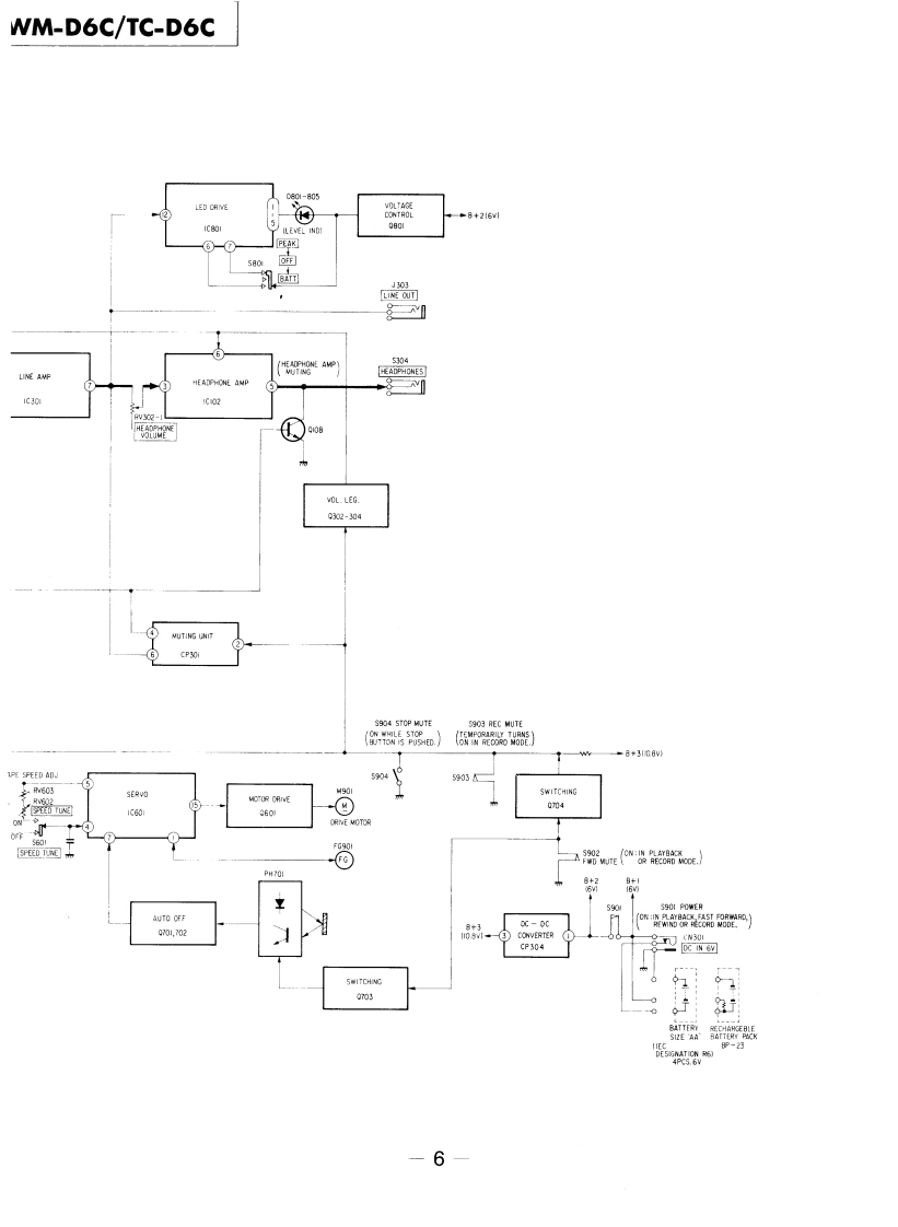
第6页 / 共49页

第7页 / 共49页

第8页 / 共49页

第9页 / 共49页

第10页 / 共49页
试读已结束,还剩39页,您可下载完整版后进行离线阅读
THE END
WM-D6C/TC-D6CSERVICE MANUALRefer to MDR-40L Service Manual issued previouslyfor information of headphones supplied withWM-D6C.Ver1.12001.06Refer to ECM-939LT Service Manual issued previous-ly for information of headphones supplied withTC-D6C.WM-D6C:US ModelCanadian ModelAEP ModelUK ModelE Model'Dolby'and the double-D symbol are the trade marks ofDolby Laboratories Licensing Corporation.Noise reductionTC-D6C:system manufactured under license from Dolby LaboratoriesLicensing Corporation.US ModelSPECIFICATIONSRecording System:4-track,2-channel stereoWow and Flutter:±0.14%{DIN)Tape Transport Mechanism TypeMT-D6C-200.04%WRMS (NAB)Tape Speed Deviation::0.3%(speed tuning OFF)Outputs:LINE OUT (stereo minijack)x 1Speed Tuneroutput level 0.25 V(-10 dB)(less thanVariations:Approx.±4%4.7 kilohms)Headphones (stereo minijack)x 1Frequency Response:DOLBY NR OFFload impedance 8-300 ohms.With TYPE IV cassette (Sony METALLIC)40-15.000Hz±3dBPower Output:Headphones30mW +30mW (at 10%harmonic distortion)·Nith TYPEⅡcassette(Sony UCX)40-15,000Hz±3dBload impedance 32 ohms.With TYPE I cassette (Sony BHF or HFX)Battery Life:See page 2.40-15.000Hz±3dBPower Requirements:6 V dc,four batteries,IEC designation R6S/N (NAB,at peak(size AA)level):DOLBY NR CBP-23 battery pack (optionallTYPE IV cassette (Sony METALLIC)71 dBExternal power input jackTYPE II cassette (Sony UCX)71 dBIrequired power 6 V dc)accepts Sony acTYPE I cassette (Sony BHF or HFX)67 dBpower adaptor (optional)listed on page 2DOLBY NR Bfor use on appropriate ac power,or SonyTYPE IV cassette (Sony METALLIC)65dBDCC-127A car battery cord (optional)forTYPE II cassette (Sony UCX)65 dBuse on 12V car batteryTYPE I cassette (Sony BHF or HFX)61 dBDimensions:181x40×95mmw/h/d)DOLBY NR OFF71/4×13×34 inches)TYPE IV cassette (Sony METALLIC)58dBincluding projecting partsTYPE II cassette (Sony UCX)58dBWeight:Approx.640g (1 Ib 7 oz)including batteriesTYPE I cassette (Sony BHF or HFX)54dBTotal HarmonicDistorsion:0.9%with Sony METALLIC0dB=0.775VInputs:MIC (PLUG IN POWER)stereo minijack)×10.25mV(-70 dB)with low impedancemicrophoneLINE IN (stereo minijack)x 1STEREO CASSETTE-CORDER77.5mV (-20 dB)(47 kilohms)SONY9-951-385-12Sony Corporation2001F0500-1Personal Audio CompanyTc©2001.6Shinagawa Tec Service Manual Production Group
请登录后查看评论内容