

第1页 / 共12页

第2页 / 共12页

第3页 / 共12页

第4页 / 共12页

第5页 / 共12页

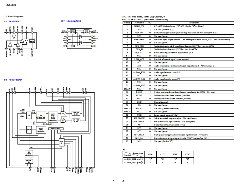
第6页 / 共12页

第7页 / 共12页

第8页 / 共12页

第9页 / 共12页

第10页 / 共12页
试读已结束,还剩2页,您可下载完整版后进行离线阅读
THE END
微电子时空基准带好音乐的休闲时光fzmcu.taobao.comXA-300SERVICE MANUALUS ModelCanadian ModelVer1.12002.08AEP ModelUK ModelEModel966660SPECIFICATIONSFEATURESPower requirement12 VDC car batteryThe XA-300 is an external selector for connecting(negative earth)a Sony BUS system-compatible CD/MD deviceCurrent drain340mAor a non-compatible portable device (such as aOperating temperature -10 YC to +551CDVD player,MD Walkman,or laptop computer)(14YF to 131YF)to a Sony BUS system-compatible master unit.Dimensions88n01mEnjoy the sound of portable media in your car.(w/h/d)WALKMAN is trademark of Sony CorporationMassApprox.470g(1 lb16 oz.)Supplied accessoriesBUS cableRCA pin cordVelcro tapeDesign and specifications are subject to changewithout notice.AUX-IN SELECTOR9-873-500-12Sony Corporation2002H0500-1e Vehicle Company©2002.08SONYPublished by Sony Engineering Corporation
请登录后查看评论内容