

第1页 / 共242页

第2页 / 共242页

第3页 / 共242页

第4页 / 共242页

第5页 / 共242页

第6页 / 共242页

第7页 / 共242页

第8页 / 共242页

第9页 / 共242页

第10页 / 共242页
试读已结束,还剩232页,您可下载完整版后进行离线阅读
THE END
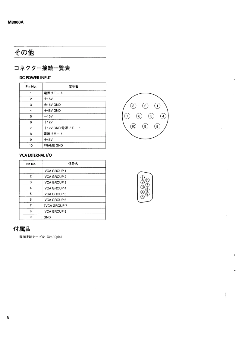
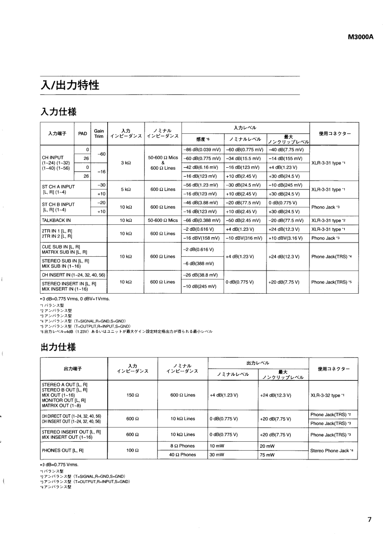
MIXING CONSOLE日口口口△24/日2/4▣口/5G口SERVICE MANUAL4444418··”111111E-1-tE--1-E0-10-1-E-f 1-EE-6-l-t--M3000A-56C■CONTENTS(目次)SPECIFICATIONS(稔合仕樣).3/6PANEL LAYOUT字儿U177下…9S8 NECORCIRCUD1 AGRAM7372回路.…18DIMENSIONS(寸法☒)…19BLOCK&LEVEL DIAGRAM(ブ口y夕&A儿ダ亻予5ラ4)22CIRCUIT BOARD LAYOUT(工元y卜亻T7卜)…23DISASSEMBLY PROCEDURE(分解手順).25LSI PIN DESCRIPTION(LSI端子機能表)…36IC BLOCK DIAGRAM(ICブ口y夕☒).40CIRCUIT BOARDS(之-卜基板☒).42INSPECTIONS(檢查)90/99TEST PROGRAM(テ又卜ブa5与)108/110ERROR MESSAGES(Iラ-Xy七-).112MIDI IMPLEMENTATION CHART .........113CIRCUIT DIAGRAMS(回路☒).113PARTS LISTPA0115291/2米YAMAHAM3000A-2420000710-1450000M3000A-40C20000710-1850000M3000A-3220000710-1650000M3000A-56C20000710-2250000HAMAMATSU,JAPAN1.44K-9153 1.T Printed in Japan 2000.07
请登录后查看评论内容