

第1页 / 共21页

第2页 / 共21页

第3页 / 共21页

第4页 / 共21页

第5页 / 共21页

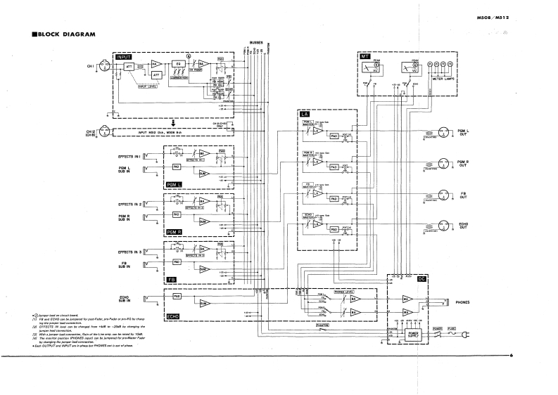
第6页 / 共21页

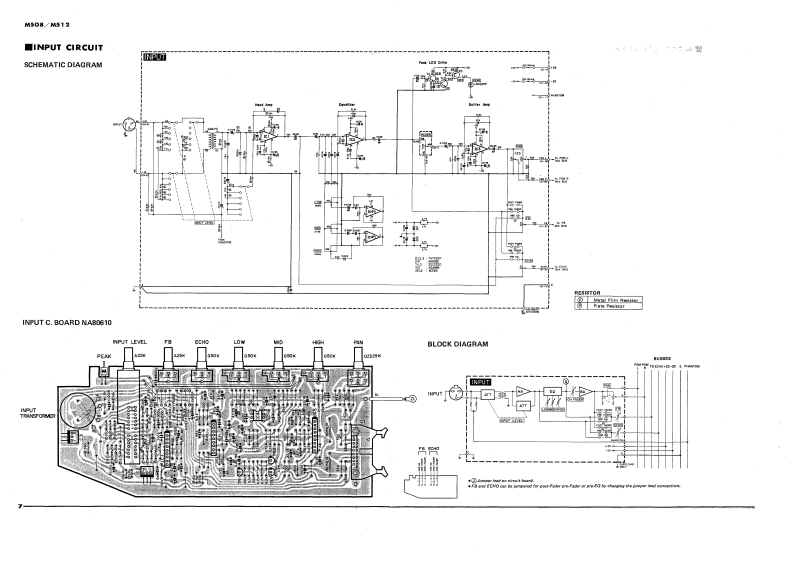
第7页 / 共21页

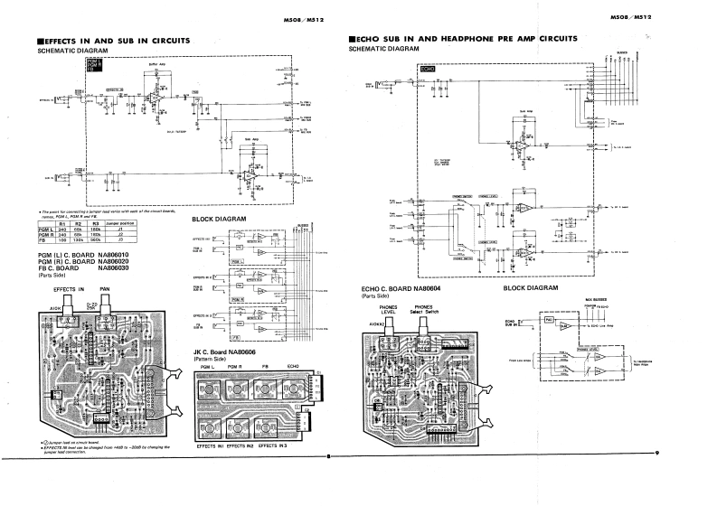
第8页 / 共21页

第9页 / 共21页

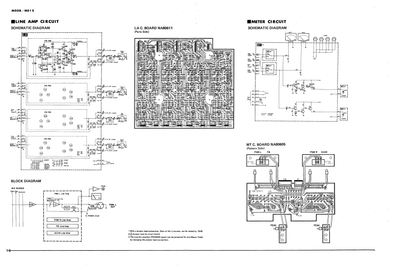
第10页 / 共21页
试读已结束,还剩11页,您可下载完整版后进行离线阅读
THE END
e51☑SERVICE MANUALFRONT PANEL:变g变0■REAR PANEL。。窗色色色卤的酸窗商:国回2M512US CANADIAN MODELS■CONTENTS,44SPECIFICATIONS,.,,·,,,,,··1ECHO SUB IN AND HEADPHONE PRE AMPHOW TO OPEN FRONT PANEL..,···CIRCUITSHOW TO REMOVE METER SUB-ASSY··2LINE AMP CIRCUIT4·,10CHECK SPECIFICATIONS··,.·.·,····3METER CIRCUITLEVEL.DIAGRAM.····,·····5POWER SUPPLY AND HEADPHONEBLOCK DIAGRAM,·,··············MAIN AMP CIRCUITS…….11INPUT CIRCUIT7WIRING....………12EFFECTS IN AND SUB IN CIRCUIT···8PARTS LISTSINCE 1887YAMAHA006439NIPPON GAKKI CO.,LTD.HAMAMATSU,JAPAN80Jul.2.5 K Printed in Japan间®
请登录后查看评论内容