

第1页 / 共30页

第2页 / 共30页

第3页 / 共30页

第4页 / 共30页

第5页 / 共30页

第6页 / 共30页

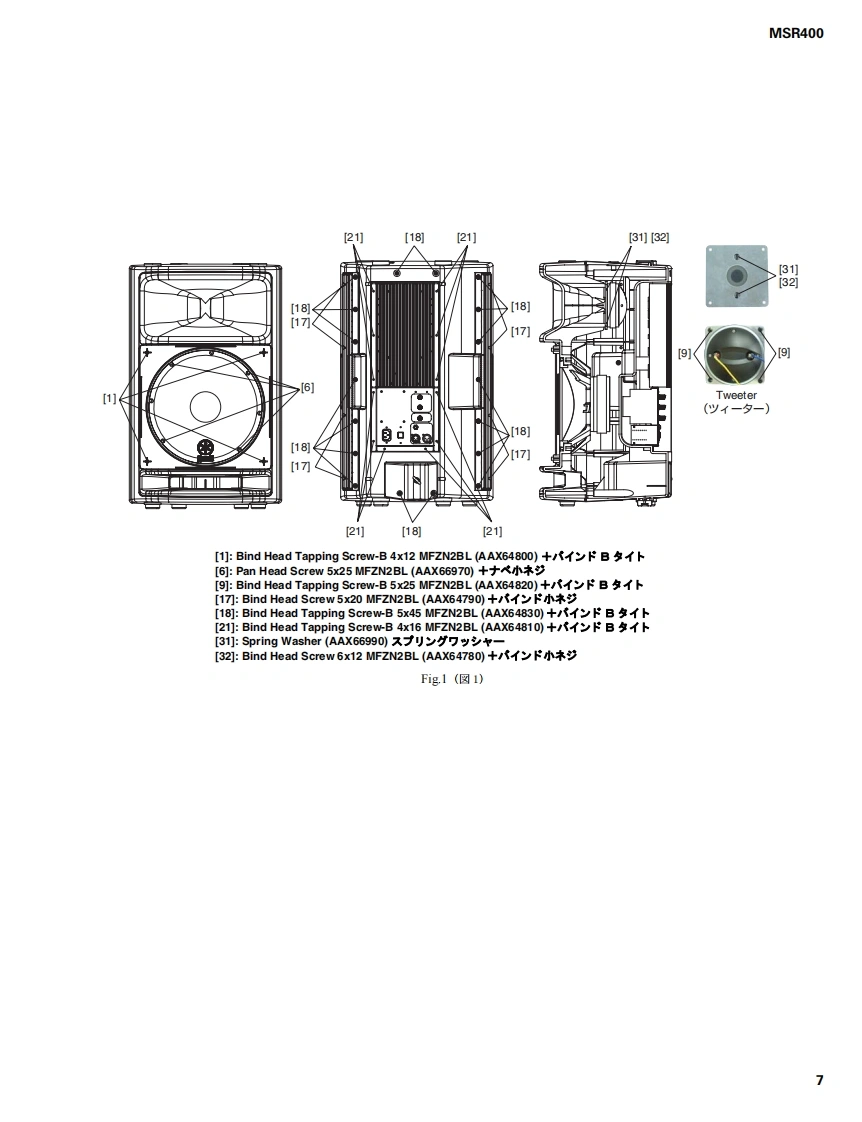
第7页 / 共30页

第8页 / 共30页

第9页 / 共30页

第10页 / 共30页
试读已结束,还剩20页,您可下载完整版后进行离线阅读
THE END
POWERED SPEAKERMSR400SERVICE MANUAL■CONTENTS(目次)SPECIFICATIONS(合仕樣).3PERFORMANCE GRAPH(特性☒)4PANEL LAYOUT(八ネU了中卜).4CIRCUIT BOARD LAYOUT(L=y卜U了中卜).5DIMENSIONS(寸法☒).5WIRING DIAGRAM(結線☒)5IC BLOCK DIAGRAM(ICブ▣y夕☒)...6DISASSEMBLY PROCEDURES(分解手顺)6CIRCUIT BOARDS()-卜基板☒)10INSPECTIONS(検查).14PARTS LIST江4于《E0F:瓶地素系源自,バ儿プ力态使用L℃L1亲。BLOCK DIAGRAM(ブOy夕ダ了ヴラ厶)This dooument is printed on chlorine free (ECF)psperOVERALL CIRCUIT DIAGRAM(回路☒)YAMAHAPAD11777HAMAMATSU,JAPAN200505-86100Copyright (c)Yamaha Corporation.All rights reserved.PDF-K185M LP05.05
请登录后查看评论内容