

第1页 / 共36页

第2页 / 共36页

第3页 / 共36页

第4页 / 共36页

第5页 / 共36页

第6页 / 共36页

第7页 / 共36页

第8页 / 共36页

第9页 / 共36页

第10页 / 共36页
试读已结束,还剩26页,您可下载完整版后进行离线阅读
THE END
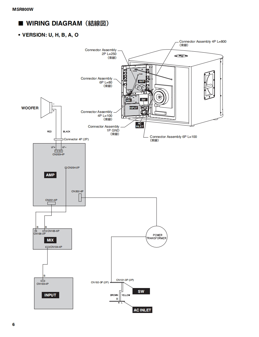
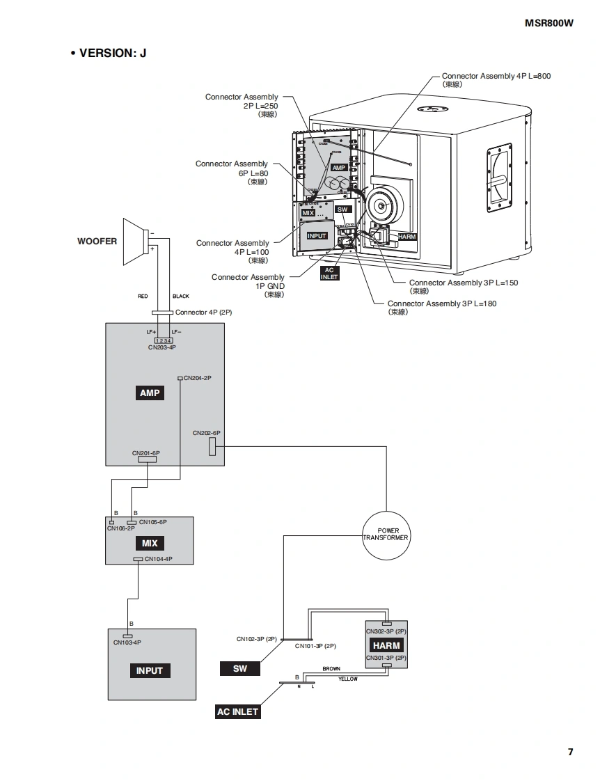
POWERED SUBWOOFERMSR800WSERVICE MANUAL■CONTENTS(目次)SPECIFICATIONS(然合仕樣)..3PERFORMANCE GRAPH(特性☒).4PANEL LAYOUT(U代ネ儿LU不F中卜).4CIRCUIT BOARD LAYOUT(1二y卜y了卜)..5DIMENSIONS(寸法☒).5WIRING DIAGRAM(結線☒)...6IC BLOCK DIAGRAM(ICブ▣y夕☒).8DISASSEMBLY PROCEDURES(分解手顺)9CIRCUIT BOARDS()一卜基板☒)....12INSPECTIONS(検查).…15PARTS LISTBLOCK DIAGRAM(ブOy夕岁了ヴ与厶)江4于《E0F:瓶地素系源自,バ儿プ力态使用儿℃L1亲。This dooument is printed on chlorine free (ECF)paperOVERALL CIRCUIT DIAGRAM(回路☒)YAMAHAPA011778HAMAMATSU,JAPAN200505.-115500Copyright (c)Yamaha Corporation.All rights reserved.PDF-K126 M UP05.06
请登录后查看评论内容