

第1页 / 共32页

第2页 / 共32页

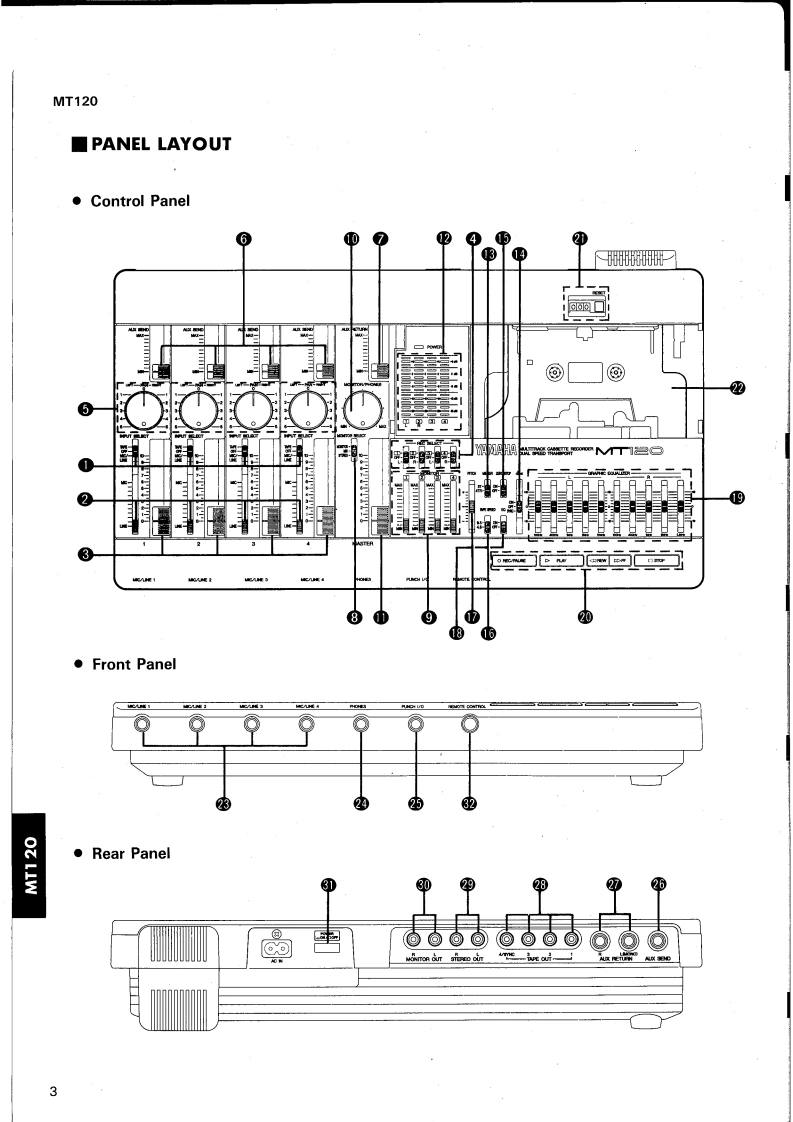
第3页 / 共32页

第4页 / 共32页

第5页 / 共32页

第6页 / 共32页

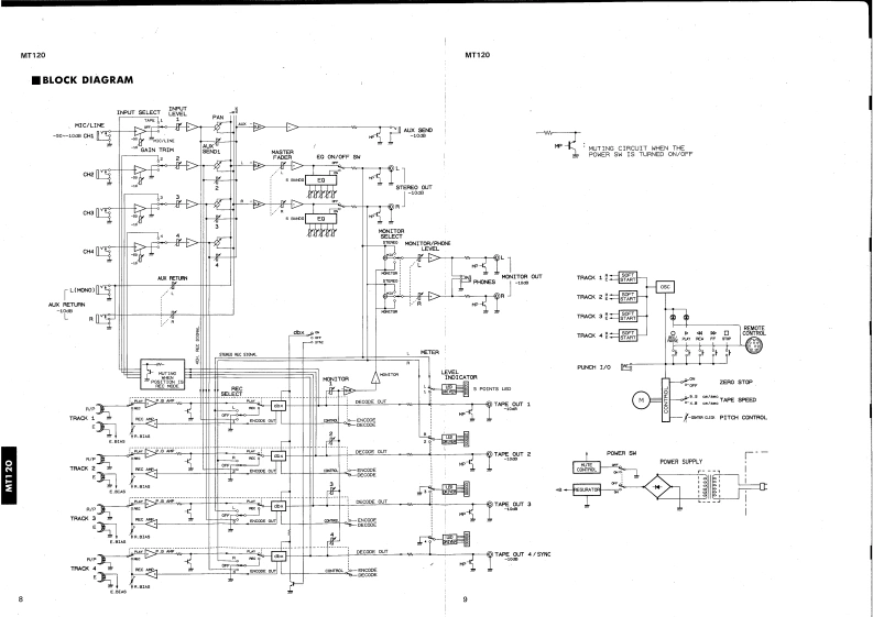
第7页 / 共32页

第8页 / 共32页

第9页 / 共32页

第10页 / 共32页
试读已结束,还剩22页,您可下载完整版后进行离线阅读
THE END
MULTITRACK CASSETTE RECORDERWIT1二DSERVICE MANUAL-A兰票人T1臣一-REMOTE CONTROLLERMULTITRACK CASSETTE RECORDER MT120RCM1■CONTENTSSPECIFICATIONS…2PANEL LAYOUT…CIRCUIT BOARD LAYOUT…35VIRING…......BLOCK DIAGRAM…8DISASSEMBLY PROCEDURE................10IC BLOCK DIAGRAM...…13CIRCUIT BOARDS…14REMOTE CONTROLLER RCM1.....21ADJUSTMENTS…22PARTS LISTLMo11088YAMAHA CORP.HAMAMATSU.JAPAN2.3K-073 Printed in Japan '91.09
请登录后查看评论内容