

第1页 / 共25页

第2页 / 共25页

第3页 / 共25页

第4页 / 共25页

第5页 / 共25页

第6页 / 共25页

第7页 / 共25页

第8页 / 共25页

第9页 / 共25页

第10页 / 共25页
试读已结束,还剩15页,您可下载完整版后进行离线阅读
THE END
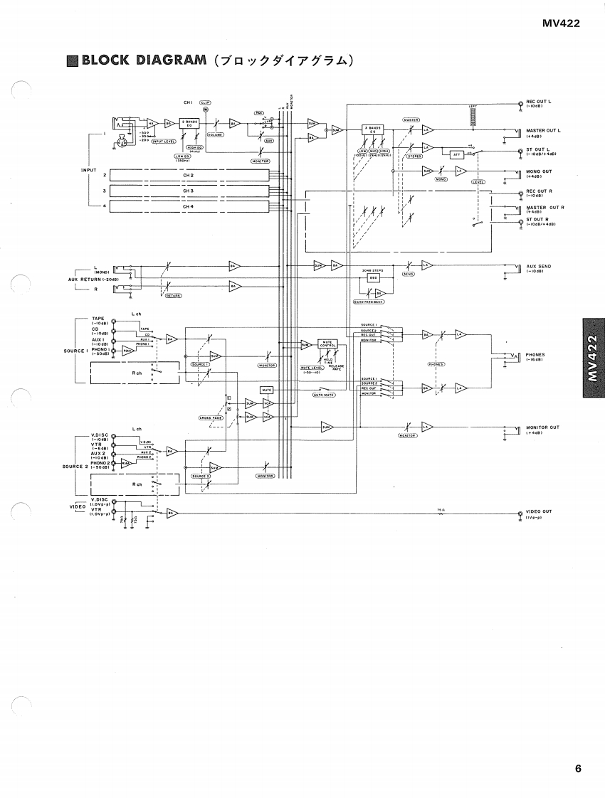
RACK MOUNT MIXERV1V422SERVICE MANUALYAMAHAZZtAW画CONTENTS(目次)SPECIFICAT1ONS(然合仕樣)…2/3PANEL LAYOUT(パ礻儿千了☑卜).4DIMENSIONS(寸法☒)…5BLOCK DIAGRAM(ブ口y夕ダ1了夕ラㄙ)…6IC BLOCK DIAGRAM(ICブ口y夕☒)…7CIRCUIT BOARDS(之一卜基板☒)…8DISASSEMBLY PROCEDURE(分解手順)…18PARTS LISTLM006795SecondaryYAMAHA CORPHAMAMATSU.JAPAN2.15K-251e Printed in Japan '88.7
请登录后查看评论内容