

第1页 / 共31页

第2页 / 共31页

第3页 / 共31页

第4页 / 共31页

第5页 / 共31页

第6页 / 共31页

第7页 / 共31页

第8页 / 共31页

第9页 / 共31页

第10页 / 共31页
试读已结束,还剩21页,您可下载完整版后进行离线阅读
THE END
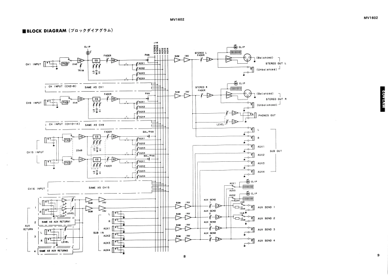
SERV.31871MIXERM/1马→二SERVICE MANUAL■CONTENTS(目次)SPECIFICATIONS(籁合仕樣)…2PANEL LAYOUT(バネ儿L了ヴ卜)…CIRCUIT BOARD LAYOUT(1二yk亻了7卜)7BLOCK DIAGRAM(ブ口y夕ダ了少ラㄙ)…8LEVEL DIAGRAM(Lペ北夕亻了夕亏么)…10DIMENSIONS(寸法☒)…1OIC BLOCK DIAGRAM(Cブ口y夕☒).11DISASSEMBLY PROCEDURE(分解手順)…12CIRCUIT BOARDS(之一卜基板☒)…16PARTS LISTYAMAHA CORP.LM006944HAMAMATSU.JAPAN3.1K-442 Printed in Japan '89.7
请登录后查看评论内容