雅马哈Yamaha-VX55-Service-Manual维修服务手册说明书含电器原理图

雅马哈Yamaha-VX55-Service-Manual维修服务手册说明书含电器原理图-找手册网
雅马哈Yamaha-VX55-Service-Manual维修服务手册说明书含电器原理图
此内容为付费资源,请付费后查看
1921
付费资源

第1页 / 共9页

第2页 / 共9页

第3页 / 共9页

第4页 / 共9页

第5页 / 共9页

第6页 / 共9页

第7页 / 共9页

第8页 / 共9页

第9页 / 共9页
已完成全部阅读,共9
THE END
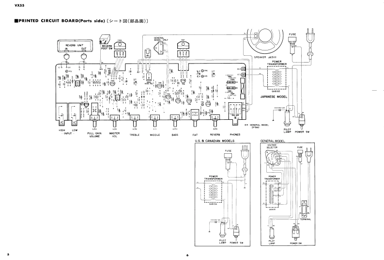
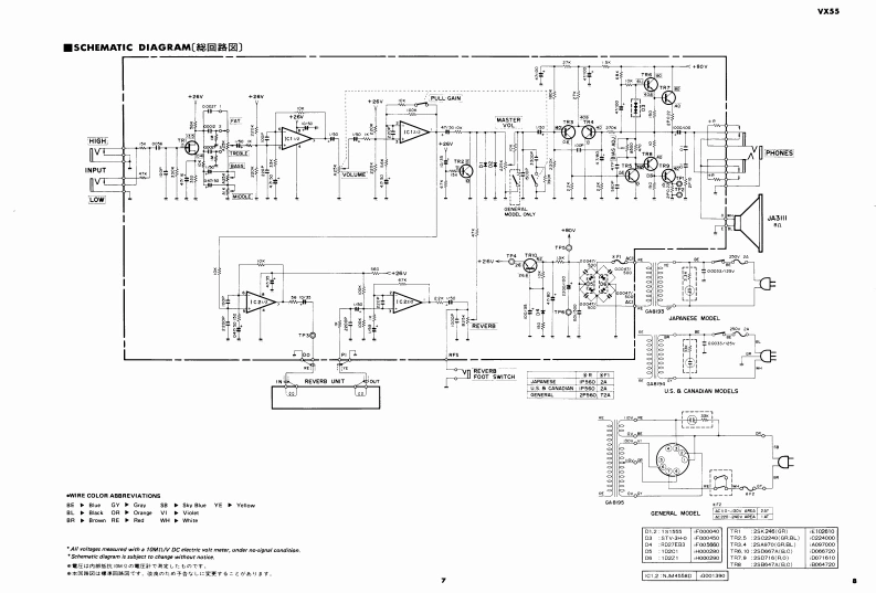
GUITAR AMPLIFIERVX55SERVICE MANUAL■FRONT PANEL〔フ口>K木儿〕@@666068VX SERIES雪写@MASTER VOL.BASSREVERB■CONTENTS〔目次)SPECIFICATIONS〔移合仕楼)···2PARTS LIST(AMP.UNIT).·.·.··10/11GENERAL ADJUSTMENT〔调整).,,·,·,····2〔-以刂入下(了ブユ二ッ卜))CHECK SPECIFICATIONS(檳查仕樣)·....34EXPLODED VIEW (CABINET)12PRINTED CIRCUIT BOARD (Parts side)......5/6〔分解☒(外装部)]〔之一卜☒(部品面))PARTS LIST (CABINET)12BL0 CK DIAGRAM〔ブay夕夕17y与ㄙ)...6〔バ-y)又卜(外装部))SCHEMATIC DIAGRAM钱回路☒)....7/8PARTS LIST (ELECTRICITY)13EXPLODED VIEW(AMP.UNIT)...·..···〔-y刂天卜(量氢部))〔分解☒(了ブ1二y卜))VX-55SINCE 1887006589YAMAHANIPPON GAKKI CO.,LTD.HAMAMATSU,JAPAN84.12.6K-50l▣①Printed in Japan
喜欢就支持一下吧
评论 抢沙发

请登录后发表评论

    请登录后查看评论内容