雅马哈Yamaha-VX55B-Service-Manual维修服务手册说明书含电器原理图

雅马哈Yamaha-VX55B-Service-Manual维修服务手册说明书含电器原理图-找手册网
雅马哈Yamaha-VX55B-Service-Manual维修服务手册说明书含电器原理图
此内容为付费资源,请付费后查看
1921
付费资源

第1页 / 共10页

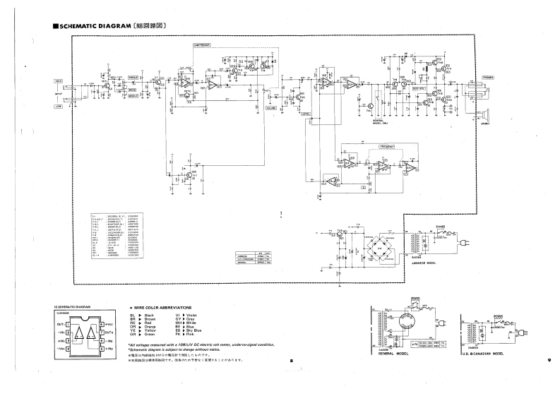
第2页 / 共10页

第3页 / 共10页

第4页 / 共10页

第5页 / 共10页

第6页 / 共10页

第7页 / 共10页

第8页 / 共10页

第9页 / 共10页

第10页 / 共10页
已完成全部阅读,共10
THE END
CKBASS AMPLIFIERVX55BSERVICE MANUAL■FRONT PANEL〔フ口YKS*ル)1@oo.Markets0D5P//£∥9G07:0爪5二入30!所■CONTENTS〔目次)wt:SPECIFICATIONS〔瓮合仕梯〕:·2PARTS LIST (AMP.UNIT)yxz2三t方…11GENERAL ADJUSTMENT(调鉴).,····,·····CHECK SPECIFICATIONS〔校查仕横)..35EXPLODED VIEW (CABINET)12PRINTED CIRCUIT BOARD(Parts side)··,.,,.6/7〔分解☒(外装部)〕〔之一卜图(部品面))PARTS LIST (CABINET)12BL0 CK DIAGRAM〔ブay夕夕Tyラ4)..·7〔一y)又卜(外装部))SCHEMATIC DIAGRAM(稀回路☒).··.····8/9PARTS LIST (ELECTRICITY).13EXPLODED VIEW (AMP.UNIT)............110〔一y少又卜(重氢部)〕〔分解☒(了Y才1二y卜))SINCE 1887YAMAHA006585NIPPON GAKKI CO..LTD.HAMAMATSU.JAPAN2.6K-702间他Printed in Japan84,l
喜欢就支持一下吧
评论 抢沙发

请登录后发表评论

    请登录后查看评论内容