

第1页 / 共61页

第2页 / 共61页

第3页 / 共61页

第4页 / 共61页

第5页 / 共61页

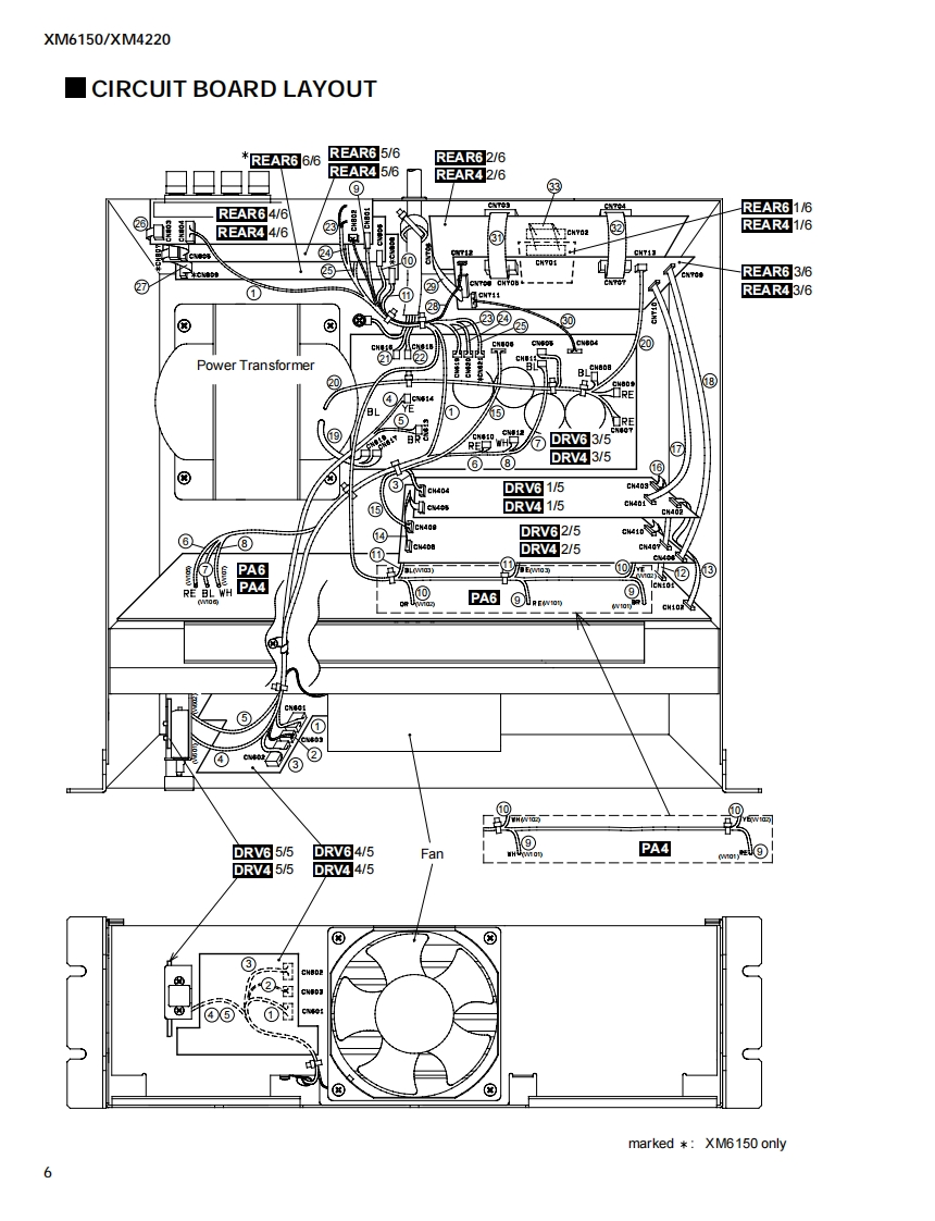
第6页 / 共61页

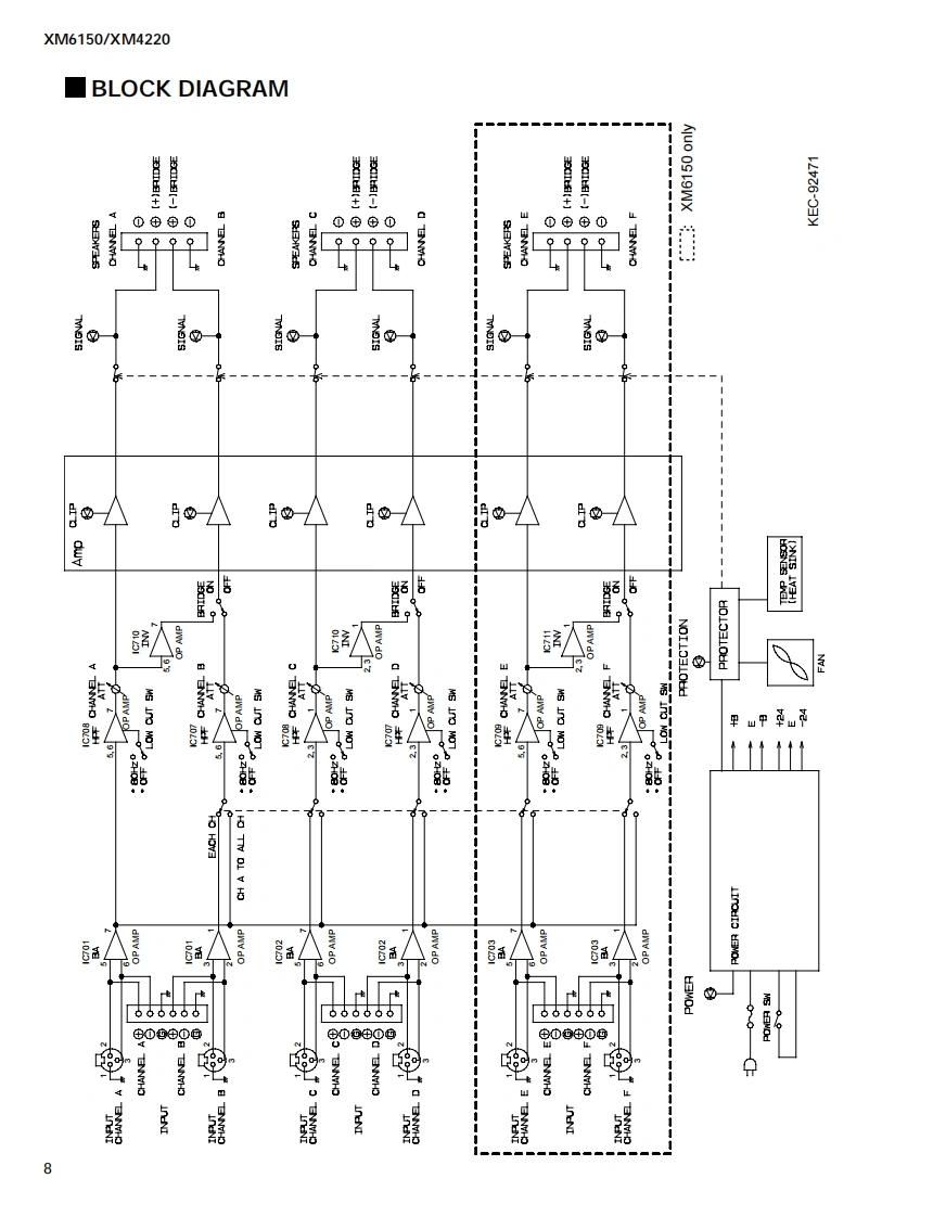
第7页 / 共61页

第8页 / 共61页

第9页 / 共61页

第10页 / 共61页
试读已结束,还剩51页,您可下载完整版后进行离线阅读
THE END
POWER AMPLIFIERXM6150/XM4220SERVICE MANUAL多YH两6159EEEEEEE四XM6150零AMAHA422gEEEEE四XM4220■CONTENTSSPECIFICATIONS.3/4PANEL LAYOUT5CIRCUIT BOARD LAYOUT6BLOCK DIAGRAMDISASSEMBLY PROCEDURE9IC BLOCK DIAGRAM13DIMENSIONS13CIRCUIT BOARDS14INSPECTIONS24/25PARTS LISTOVERALL CIRCUIT DIAGRAM米YAMAHAPA011495HAMAMATSU,JAPAN20000301.1400001.5K-2501:Printed in Japan '00.02
请登录后查看评论内容