雅马哈Yamaha_RBX_6JM_Bass_Service_Manual维修手册含电器原理图

雅马哈Yamaha_RBX_6JM_Bass_Service_Manual维修手册含电器原理图-找手册网
雅马哈Yamaha_RBX_6JM_Bass_Service_Manual维修手册含电器原理图
此内容为付费资源,请付费后查看
1921
付费资源

第1页 / 共8页

第2页 / 共8页

第3页 / 共8页

第4页 / 共8页

第5页 / 共8页

第6页 / 共8页

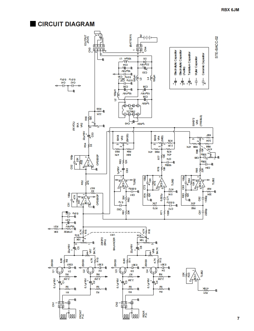
第7页 / 共8页

第8页 / 共8页
已完成全部阅读,共8
THE END
ELECTRIC BASSRBX 6JMSERVICE MANUAL■CONTENTSOVERALL ASSEMBLY.…2ELECTRICAL PARTS…CIRCU|T BOARDS……CIRCUIT DIAGRAM…7MRING……SPECIFICATIONS…EG011464米YAMAHA19990401-140000HAMAMATSU.JAPAN1.2K-641 Printed in Japan 99.03
喜欢就支持一下吧
评论 抢沙发

请登录后发表评论

    请登录后查看评论内容