

第1页 / 共20页

第2页 / 共20页

第3页 / 共20页

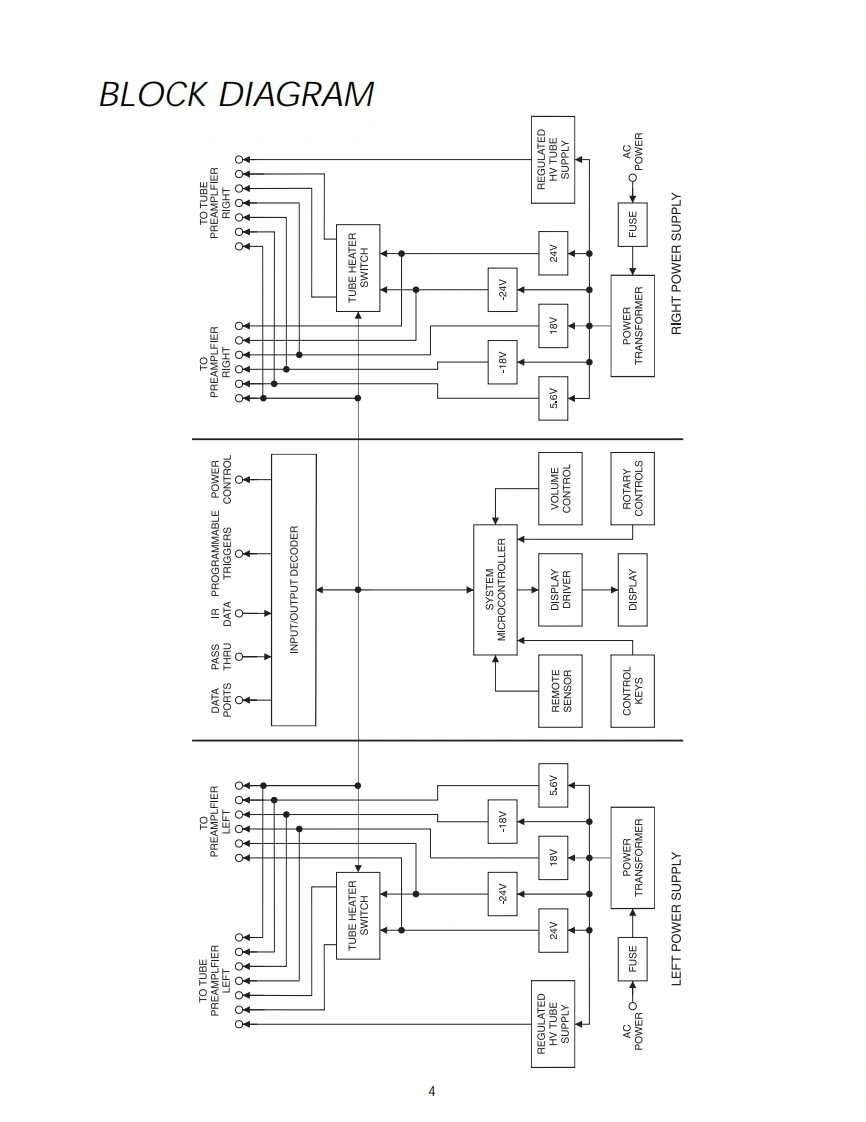
第4页 / 共20页

第5页 / 共20页

第6页 / 共20页

第7页 / 共20页

第8页 / 共20页

第9页 / 共20页

第10页 / 共20页
试读已结束,还剩10页,您可下载完整版后进行离线阅读
THE END
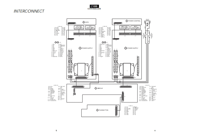
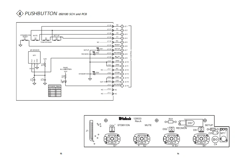
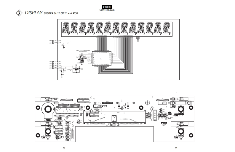
hC1000CONTROLLERIclnfoshC1000 CONTROLLER…28.5C D2PRELIMINCONTENTSPerformance Sfications2Display Schematic and PCB.11.14Notes2Pushbutton Schematic and PCB15.16Rear Panel.....Power Control Schematic and PCB........17.18Section LocationData Schematic and PCB..…..……….19.20Block Diagram421·23Interconnection Diagram ....56Exploded View and Parts List25.26Power Supply Schematic and PCB......7.10Repacking Instructions .........29SERVICE MANUAL
请登录后查看评论内容