

第1页 / 共42页

第2页 / 共42页

第3页 / 共42页

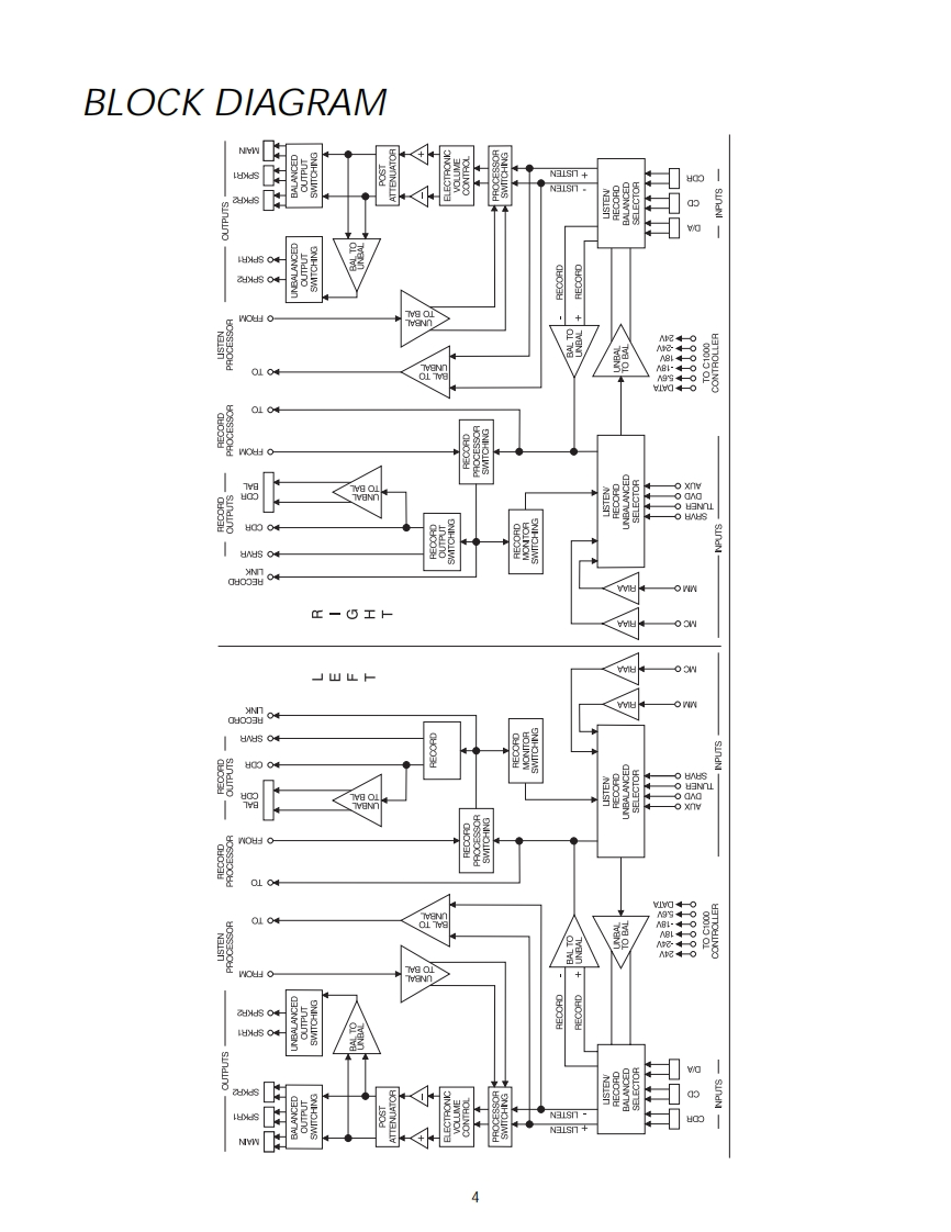
第4页 / 共42页

第5页 / 共42页

第6页 / 共42页

第7页 / 共42页

第8页 / 共42页

第9页 / 共42页

第10页 / 共42页
试读已结束,还剩32页,您可下载完整版后进行离线阅读
THE END
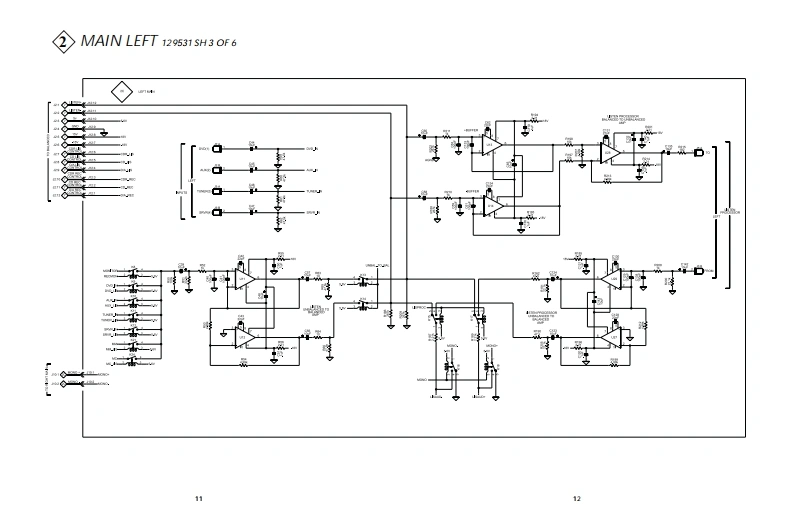
oshC1000PPREAMPLIFIERIclntosh050op0C1000 PREAMPLIFIER6050OUTPUTECONTENTSPerformance SpecificaRELIM2Balance /O Right Schematic and PCB ...........39-40Notes.....2Balance Switching Left Schematic and PCB......41-42Rear Panel..Balance Switching Rightt Schematic and PCB...43-44Section LocanMeter Schematic and PCB.......45-46Block Dim4Headphone Schematic and PCB47.48InterconneDiagram.5-6Integrator Schematic and PCB......49Main Left Schetic and PCB ...…7.20Parts List....50.60Main Right Schematic and PCB.................21-34Exploded View and Parts List.61-62Phono MC.........35·36Repacking Instructions ...............65Balance /O Left Schematic and PCB...............37-38SERVICE MANUAL
请登录后查看评论内容