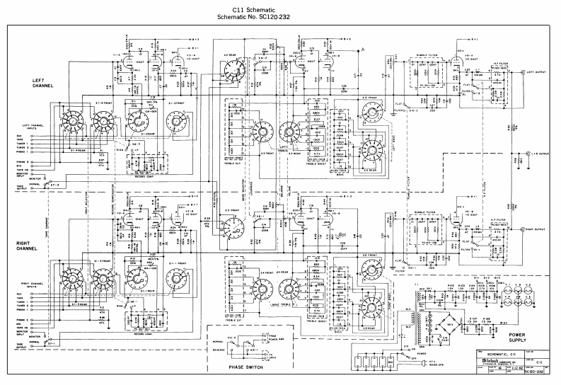
MCINTOSH-C11_service-manual维修手册找手册网6小时前发布关注私信96.81KB1页041MCINTOSH-C11_service-manual维修手册此内容为付费资源,请付费后查看¥19¥21黄金会员免费钻石会员免费立即购买您当前未登录!建议登陆后购买,可保存购买订单付费资源 第1页 / 共1页 已完成全部阅读,共1页 THE END爱华/Mcintosh 文本预览 C11 SchematicSchematic No.SC120-232LEETCHANNEL7妇RIOHTCHANNELPOWERSUPPLYPHASE SWTTCH2m 查看更多 收起部分 喜欢就支持一下吧收藏
请登录后查看评论内容