

第1页 / 共38页

第2页 / 共38页

第3页 / 共38页

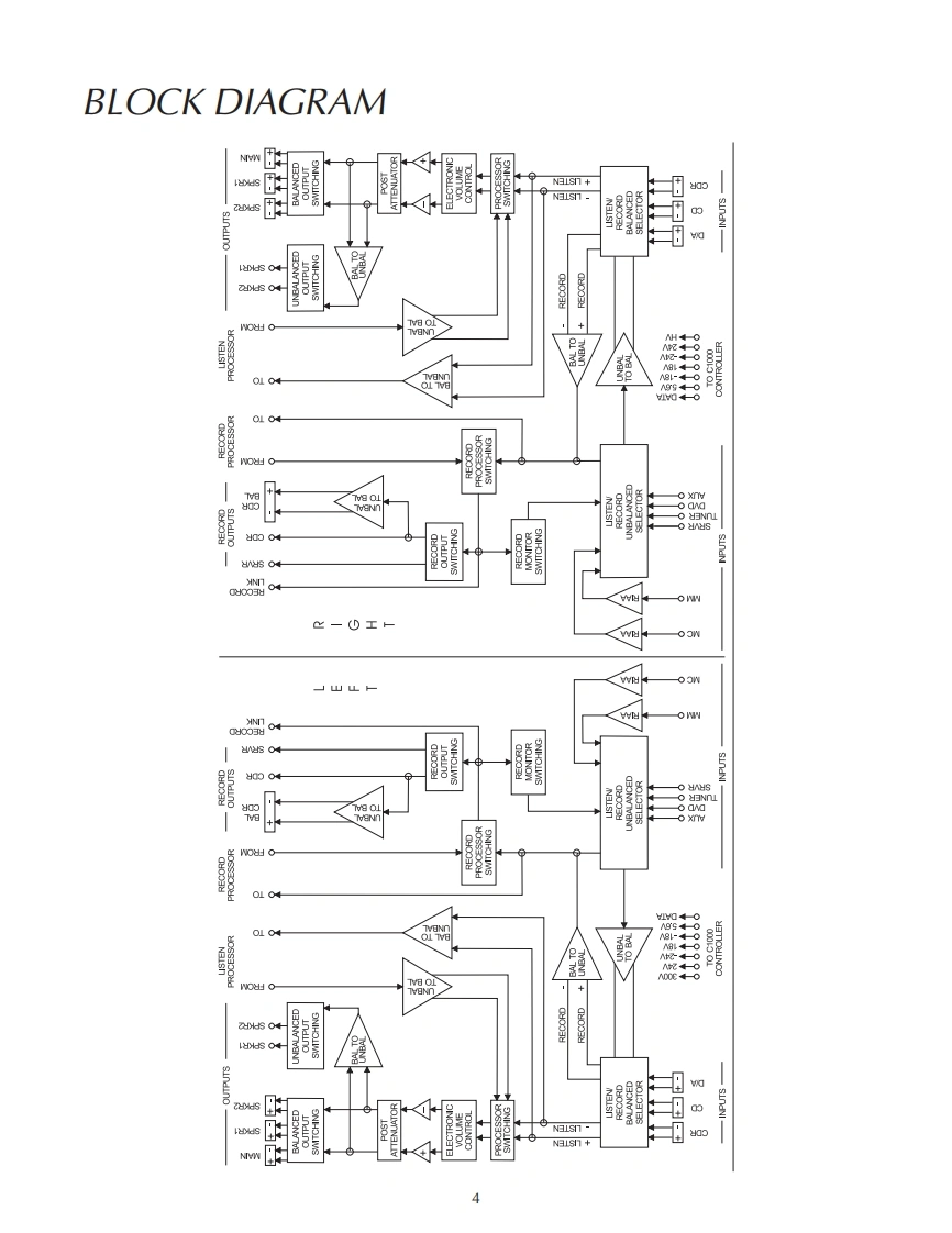
第4页 / 共38页

第5页 / 共38页

第6页 / 共38页

第7页 / 共38页

第8页 / 共38页

第9页 / 共38页

第10页 / 共38页
试读已结束,还剩28页,您可下载完整版后进行离线阅读
THE END
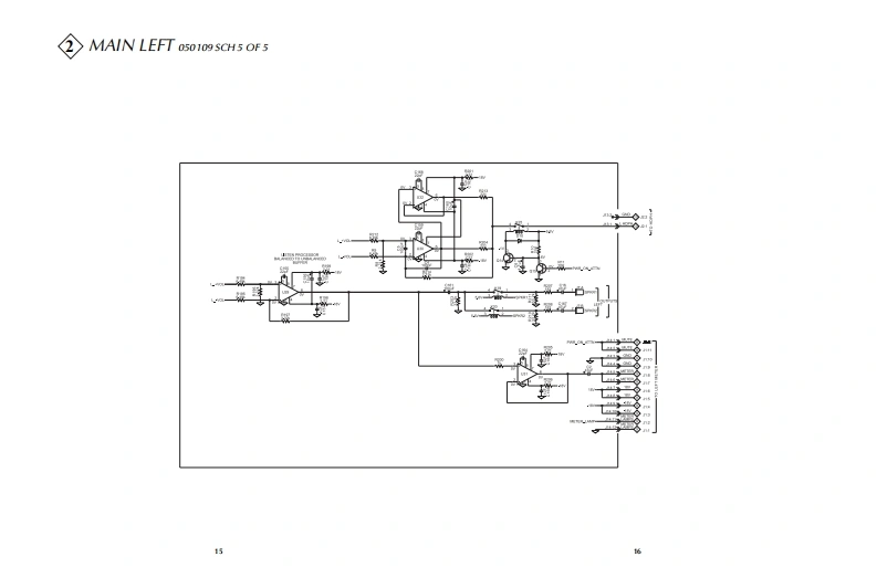
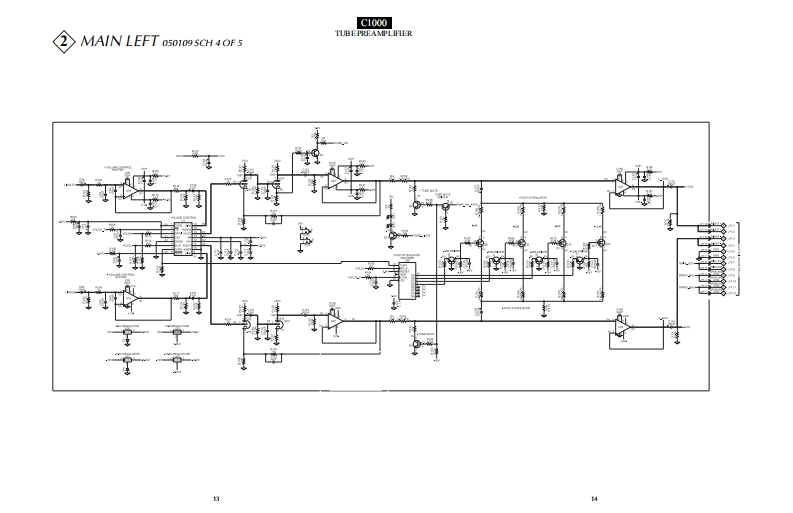
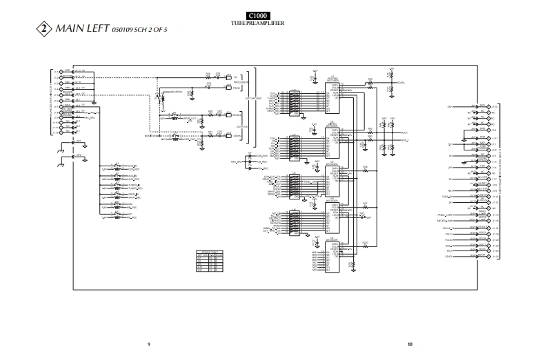
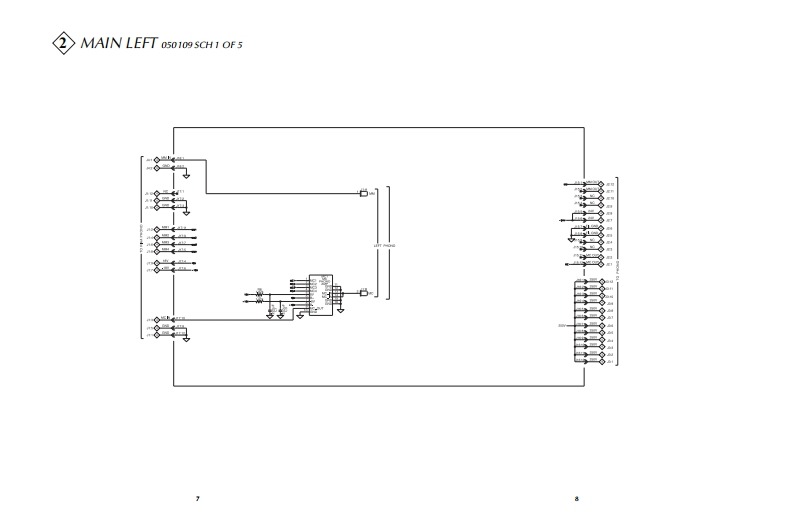
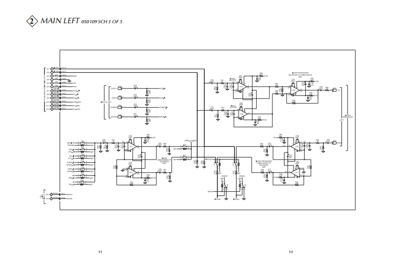
hC1000TUBE PREAMPLIFIERSERIAL NO.WH1000 And AboveMclnfoshC1000 TUBE PREAMPLIFIER00o0地100OUTPUTOUTPUTEVELCONTENTSPerformance Specifications............2Balanced I/O Left Schematic and PCB ..........33-34Notes.…Balanced I/O Right Schematic and PCB............35-36Rear Panel.………3Balanced Switching Left Schematic and PCB ...37-38Section Location…3Balanced Switching Right Schematic and PCB..39-40Block Diagram….4Meter Schematic and PCB.....…..41-42Interconnection Diagram .......5-6Headphone Schematic and PCB ...43-44Main Left Schematic and PCB........-18Parts List47-56Main Right Schematic and PCB......................19-30Repacking Instructions57Phono……31.32SERVICE MANUALSerial Number WH1001 And Above
请登录后查看评论内容