

第1页 / 共40页

第2页 / 共40页

第3页 / 共40页

第4页 / 共40页

第5页 / 共40页

第6页 / 共40页

第7页 / 共40页

第8页 / 共40页

第9页 / 共40页

第10页 / 共40页
试读已结束,还剩30页,您可下载完整版后进行离线阅读
THE END
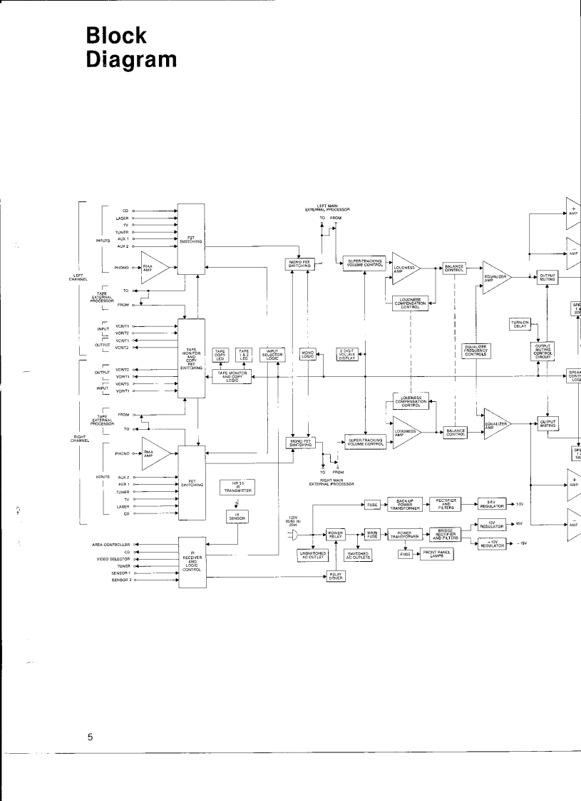
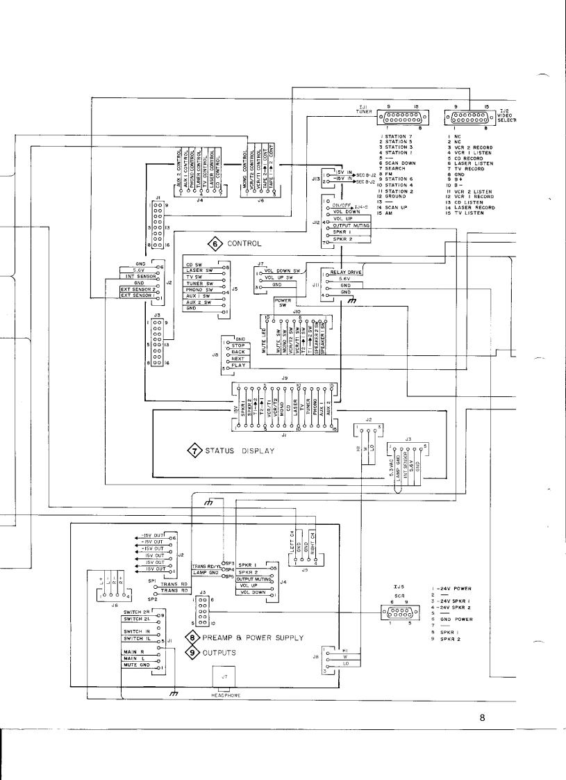
C35SYSTEM CONTROL CENTERMelnioshC35 SYSTEM CONTROL CENTER606ò6660CONTENTSPerformance Specifications........................2Mechanical Views...............................3-4General Notes4Block Diagram.,…….5-6Section Locations ..Front Panel and Trim Parts List ........Installation Hardware Parts List..................Section 1-Interconnection DiagramSection 2-Signal Switching (Left channel).10-14Section 3-Signal Switching (Right channel).....15-19Section 4-Input and Mode Switches.20Section 5-Volume Control Switches.21Section6-Control..............21-25Section 7-Status Display ...…..26-28Section 8-Preamp and Power Supply.29-31Section 9-Outputs...........................32-36Section 10-Backup Power Supply..............37-38Repacking Instructions...........................39Itlntosh service Manual
请登录后查看评论内容