

第1页 / 共42页

第2页 / 共42页

第3页 / 共42页

第4页 / 共42页

第5页 / 共42页

第6页 / 共42页

第7页 / 共42页

第8页 / 共42页

第9页 / 共42页

第10页 / 共42页
试读已结束,还剩32页,您可下载完整版后进行离线阅读
THE END
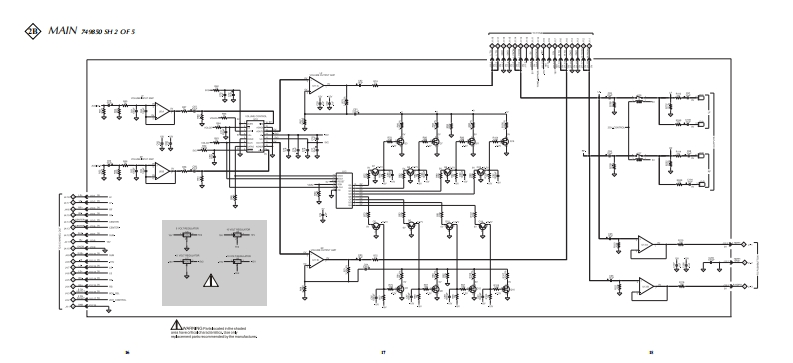
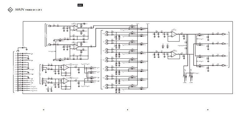
I InloshC45AUDIOCONTROL CENTERSERIAL NO.XF1001 And AboveIclnfoshC45 AUDID CONTROL CENTER1两PHONO28TFIM LEVELCONTENTSPerformance Specifications...........2-3Data Schematic and PCB.39.40Rear View and Section Location..........4Pushbutton Schematic and PCB.41-42Block Diagram5-8Tuner/RAA1 Schematic and PCB.....43-46Interconnection Diagram.9-10Tuner AM/FM Alignment Procedure.................47-48Main Schematic and PCB.....13-26Parts List.......51-60Display Schematic and PCB....27-32Exploded View and Parts Lists ...61-656 Channel Schematic and PCB.............33-36Repacking Instructions...67Tone Schematic and PCB.........37-38MclntoshSERVICE MANUALSerial Number XF1001 And Above
请登录后查看评论内容