

第1页 / 共58页

第2页 / 共58页

第3页 / 共58页

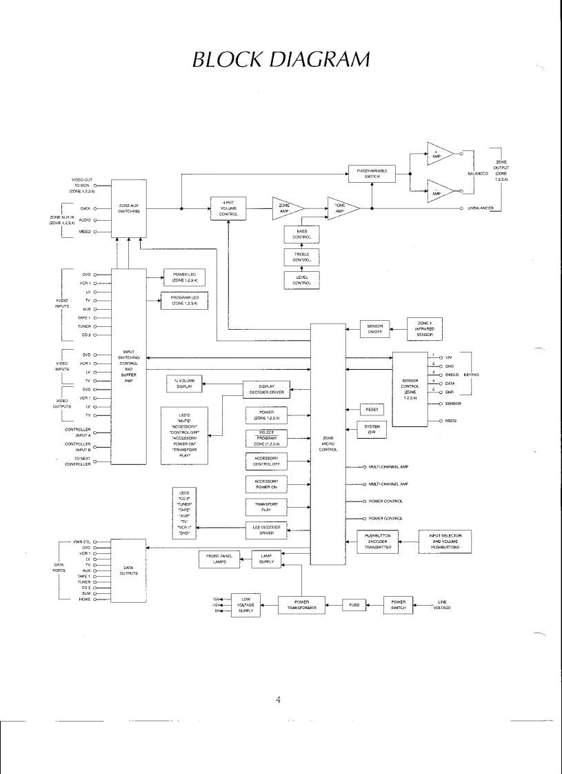
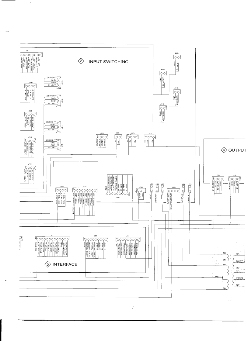
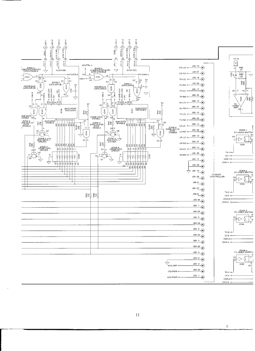
第4页 / 共58页

第5页 / 共58页

第6页 / 共58页

第7页 / 共58页

第8页 / 共58页

第9页 / 共58页

第10页 / 共58页
试读已结束,还剩48页,您可下载完整版后进行离线阅读
THE END
CR1 6AUDIO/VIDEOMULTIZONE CONTROL SYSTEMItlntoshCR18 AUDIO/VIDEC MULTIZONE CONTROL SYSTEMTAFETVr的中QCONTENTSPerformance Specifications ...............2Data 1/O Schematic and PCB.........21-28Notes.....2Output Schematic and PCB.......29-36Rear Panel ........3Interface Schematic and PCB....................37.40Section.0Cati0n……Front Panel Schematic and PCB..................41-48B0 ck Diagram…Parts List.........49-52Interconnection Diagram-8Exploded View and Parts List..53-Input/Switching Schematic and PCB ...........9-20Repacking Instructions .............57IclntoshSERVICE MANUAL
请登录后查看评论内容