

第1页 / 共28页

第2页 / 共28页

第3页 / 共28页

第4页 / 共28页

第5页 / 共28页

第6页 / 共28页

第7页 / 共28页

第8页 / 共28页

第9页 / 共28页

第10页 / 共28页
试读已结束,还剩18页,您可下载完整版后进行离线阅读
THE END
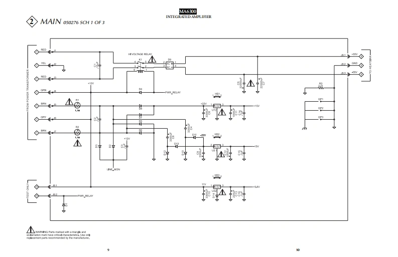
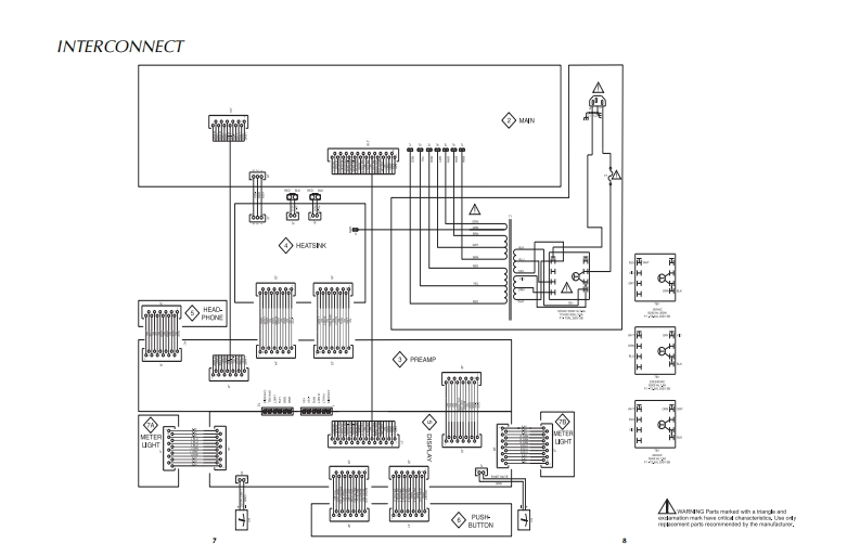
MA6300INTEGRATED AMPLIFIERSERIAL NO.WR1001 And AbovePOWER GLARD01101010100m品品01101910100m220202020072202020200POWER dUTPUTOPOWER CUTPUTMtInfoshMA63▣0INTEGRATED AMPLIFIERCONTENTSPerformance Specifications..Preamp Schematic and PCB1.20Heatsink Schematic and PCB21-28Rear Panel...Display Schematic and PCB29-32Section LocationPush Button Schematic and PCB.......33-34Block Diagram5-6Meter Schematic and PCB35-36Interconnection Diagram ........7-8Parts List...37.42Main Schematic and PCB9.16Repacking Instruction ...43SERVICE MANUAL
请登录后查看评论内容