

第1页 / 共20页

第2页 / 共20页

第3页 / 共20页

第4页 / 共20页

第5页 / 共20页

第6页 / 共20页

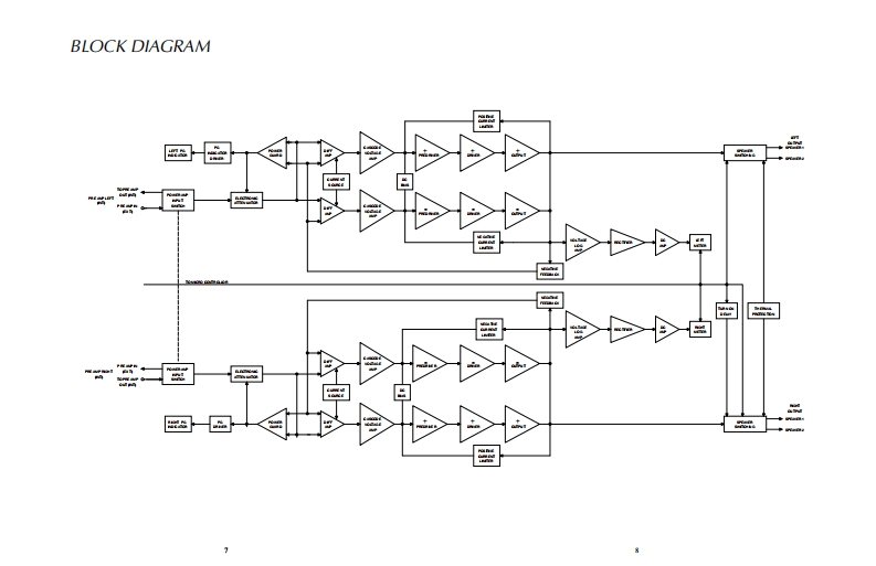
第7页 / 共20页

第8页 / 共20页

第9页 / 共20页

第10页 / 共20页
试读已结束,还剩10页,您可下载完整版后进行离线阅读
THE END
MA6500INTEGRATED AMPLIFIER02.202920200.。40020Mclntosh02292920290040302000MA6500P OWERINTEGRATED AMPLIFIERPOWER OUTPUT品品BALANCVOLUME⊙àaaCONTENTSPerformance Specifications.2Lamp Schematic and PCB........19.20PG Display Schematic and PCB..21-22Rear Panel.…………4Control Schematic and PCB..21-22Section Location .......----------------------------------------04Tone Schematic and PCB...23-26Block Diagram….5-8Parts List.....25.28Interconnection Diagram.9-10Exploded View and Parts List.29.31Input Driver Schematic and PCB.......................11-18Repacking Instructions.33Heatsink Schematic and PCB.....................19-20lclntoshSERVICE MANUAL
请登录后查看评论内容