

第1页 / 共16页

第2页 / 共16页

第3页 / 共16页

第4页 / 共16页

第5页 / 共16页

第6页 / 共16页

第7页 / 共16页

第8页 / 共16页

第9页 / 共16页

第10页 / 共16页
试读已结束,还剩6页,您可下载完整版后进行离线阅读
THE END
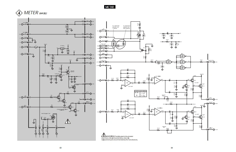
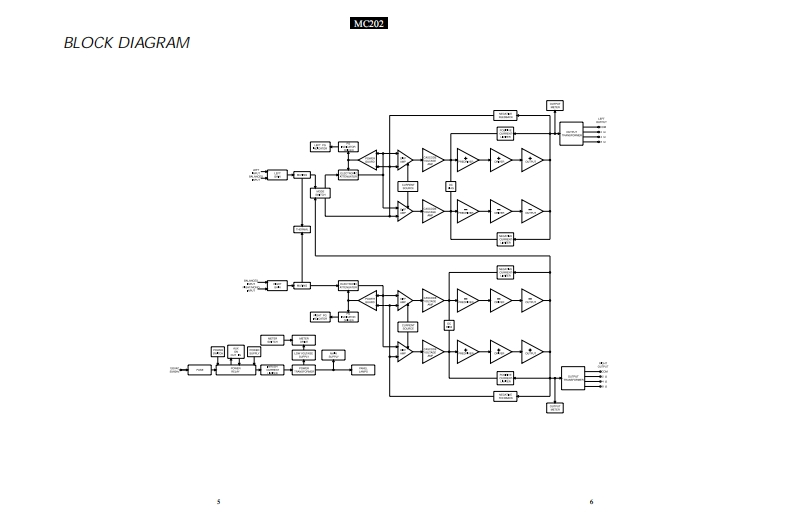
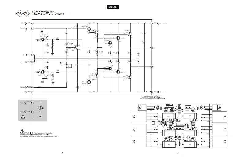
MC202POWER AMPLIFIER02.2020202004-30-20.1002202020200D品品-40-90-2010POWER DUTPUTPOWER OUTPUTIclntoshMC202 POWER AMPLIFIERCONTENTSPerformance SpecificationsMeter Schematic and PCB.........13.19Notes…Power Guard Lamp Schematic and PCB3..16Rear Panel.......3Meter Light Schematic and PCB...17Section LocationPanel Lamp Schematic and PCB.Block Diagram.5-6Parts List.…….19-20Interconnection Diagram................-8Exploded View and Parts List......21-24Heatsink Schematic and PCB.910Repacking Instructions .........25Driver Schematic and PCB ........11.12IclntoshSERVICE MANUAL
请登录后查看评论内容