

第1页 / 共14页

第2页 / 共14页

第3页 / 共14页

第4页 / 共14页

第5页 / 共14页

第6页 / 共14页

第7页 / 共14页

第8页 / 共14页

第9页 / 共14页

第10页 / 共14页
试读已结束,还剩4页,您可下载完整版后进行离线阅读
THE END
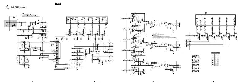
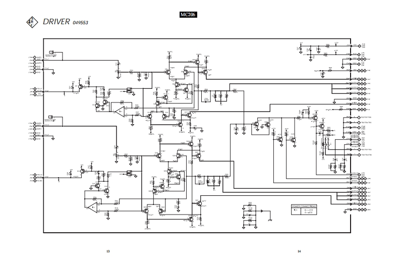
MC206POWER AMPLIFIERga己oenD合K已E间en凸r"☐凸eEn40.04·4440e40004·440400200POWER OUTPUTPOWER CUTPUTPOWER OUTPUTMclnfoshMC206 SIX CHANNEL POWER AMPLIFIERCONTENTSPerformance Specifications.......2Heatsink Schematic and PCB..10-12Notes…2Driver Schematicand PCB..13-15RearPanel.3Capacitor Schematic and PCB.........................15.16Section L0 cation…Meter Schematic and PCB17.21Block DiagramParts List22.24Interconnection Diagram.5-8Exploded Views and Parts Lists.....................25.28Multi-channel Schematic and PCB............................9Repacking Instruction.....29MclntashSERVICE MANUAL
请登录后查看评论内容