

第1页 / 共34页

第2页 / 共34页

第3页 / 共34页

第4页 / 共34页

第5页 / 共34页

第6页 / 共34页

第7页 / 共34页

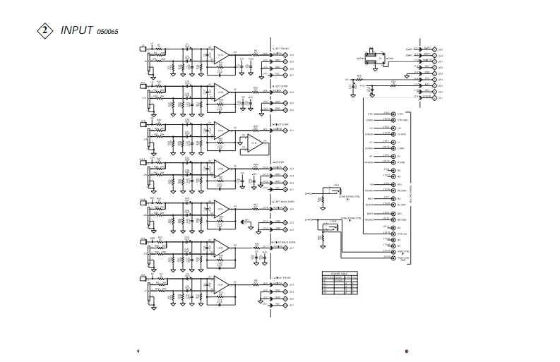
第8页 / 共34页

第9页 / 共34页

第10页 / 共34页
试读已结束,还剩24页,您可下载完整版后进行离线阅读
THE END
MC207POWER AMPLIFIER.02.2p202029040-3020黑哥29-4030·20-10e20-220-4030·20-10POWER QUTPUTPOWER QUTPUTPOWER QUTPUT1-LEFT FRONT4-CENTER7-RIOHT FRONTPOWER GUARD吕吕吕吕METER LIGHTSPOWERMclnfosh网CONTENTSPerformance SpecificationsHeatsink 2-Channel Schematic and PCB ............21-26Notes2Display Schematic and PCB..........29.323Capacitor Schematic and PCB......33Section L0 cation…Power Supply Schematic and PCB.....................34.35Bl0ckDi阳gram6Parts List.…36-42Interconnection Diagram ...................78Exploded Views and Parts Lists43.46Input Schematic and PCB..9.12Repacking Instruction.............47Heatsink 1-Channel Schematic and PCB ...........13-18SERVICE MANUAL
请登录后查看评论内容