

第1页 / 共18页

第2页 / 共18页

第3页 / 共18页

第4页 / 共18页

第5页 / 共18页

第6页 / 共18页

第7页 / 共18页

第8页 / 共18页

第9页 / 共18页

第10页 / 共18页
试读已结束,还剩8页,您可下载完整版后进行离线阅读
THE END
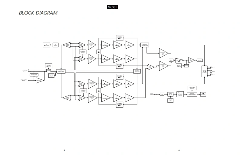
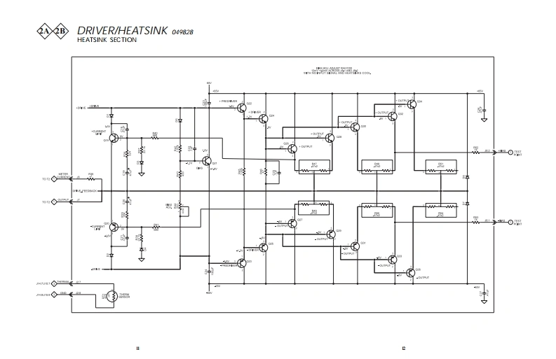
hMC501POWER AMPLIFIERPOWER GUARDWATTS5.0.50.505.g50500950403020/-100POWER dUTPUTMETERPOWERWATTSHEMOTEIclnfoshMC501POWER AMPLIFIERCONTENTSPerformance Specifications.…..……2Power Schematic and PCB........................15.16Notes…Input Schematic and PCB...17-18Top and Rear Views3Meter/Lighting Schematic and PCB....................19.20Section Location4Parts List....21-24Block Diagram5-6Exploded View and Parts List25.28Interconnection Diagram.78Repacking Instructions....29Driver/Heatsink Schematic and PCB..................9-13SERVICE MANUAL
请登录后查看评论内容