

第1页 / 共18页

第2页 / 共18页

第3页 / 共18页

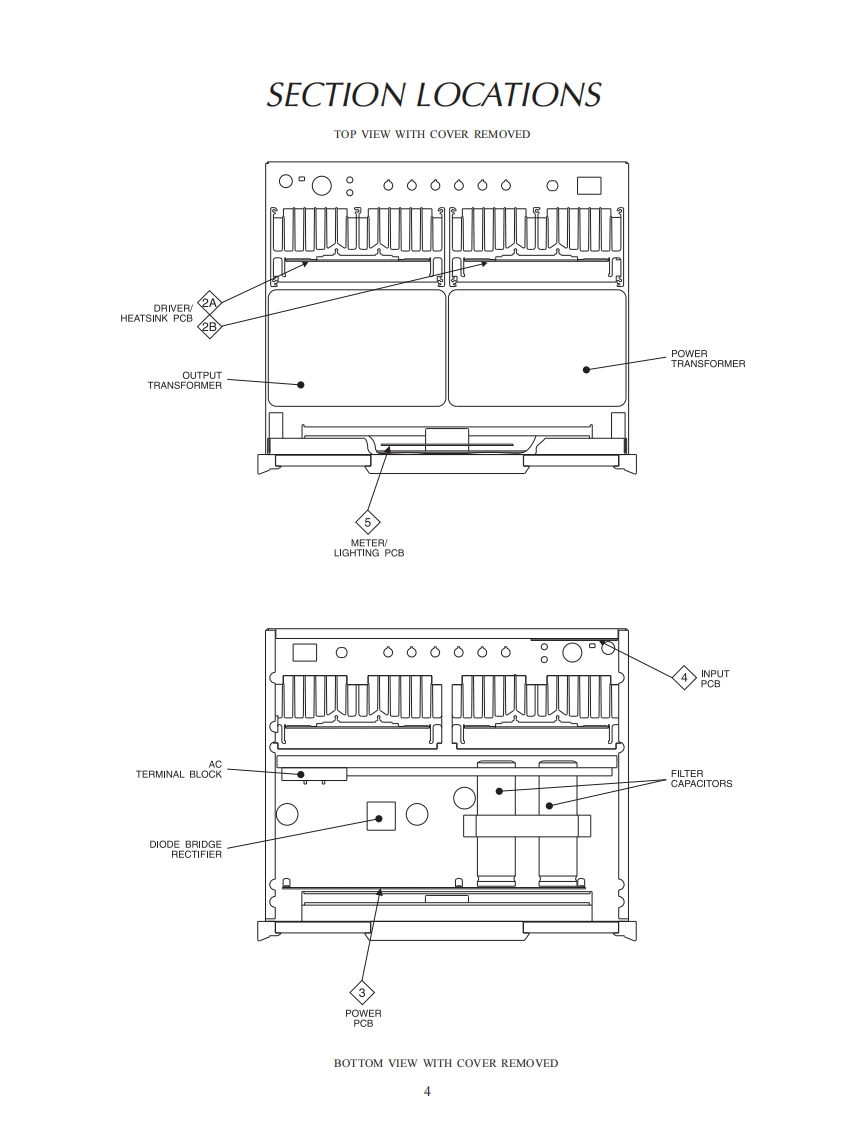
第4页 / 共18页

第5页 / 共18页

第6页 / 共18页

第7页 / 共18页

第8页 / 共18页

第9页 / 共18页

第10页 / 共18页
试读已结束,还剩8页,您可下载完整版后进行离线阅读
THE END
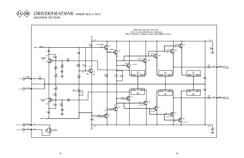
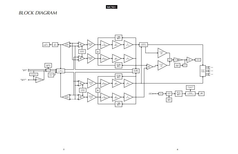
hMC501POWER AMPLIFIERSERIAL NO.WU1001 And AbovePOWER GUARDWATT55.0.50.50595050085040-3020-100POWER CUTPUTMETERPOWERWATTSHEMOTELIGHTS OFFIclnfoshMC501POWER AMPLIFIERCONTENTSPerformance Specifications2Power Schematic and PCB15-16Input Schematic and PCB..17-18Top and Rear Views ............3Meter/Lighting Schematic and PCB...............19-20Section L0 cation…Parts List2-24Block Diagram…5-6Exploded View and Parts List25-28Interconnection Diagram.8Repacking Instructions29Driver/Heatsink Schematic and PCB.9-13SERVICE MANUALSerial Number WU1001 And Above
请登录后查看评论内容