

第1页 / 共28页

第2页 / 共28页

第3页 / 共28页

第4页 / 共28页

第5页 / 共28页

第6页 / 共28页

第7页 / 共28页

第8页 / 共28页

第9页 / 共28页

第10页 / 共28页
试读已结束,还剩18页,您可下载完整版后进行离线阅读
THE END
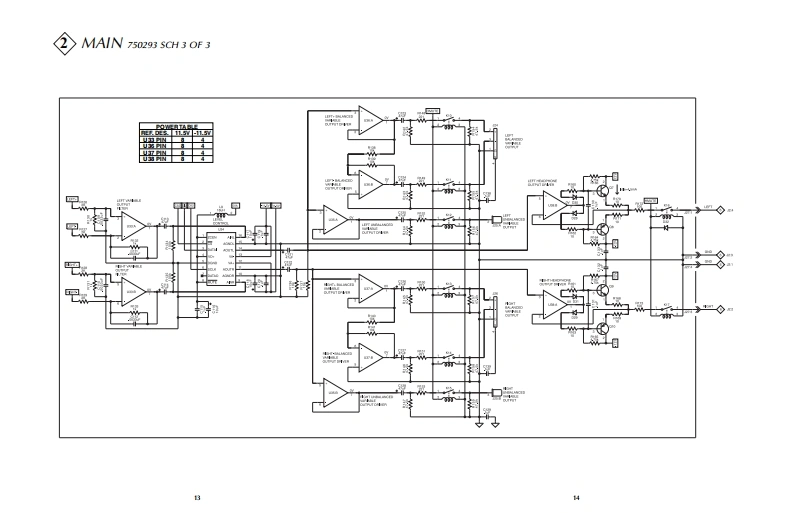
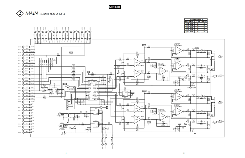
hMCD201SACD /CD PLAYERSERIAL NO.XD1001 And AboveTRACK NEMtlnfoshMCD201 SACD/CD PLAYER4【A0制412CONTENTSPerformance SpecificationsMain Schematic and PCB..9-16Notes……………Display Schematic and PCB.19-22Safety Information3Control23Rear Panel............5Headphone.……………………..25Section LocationParts List.………….2730Block Diagram6Exploded View and Parts List.....31-33Interconnection Diagram-8Repacking Instructions ...................35SERVICE MANUALSerial Number XD1001 And Above
请登录后查看评论内容