

第1页 / 共13页

第2页 / 共13页

第3页 / 共13页

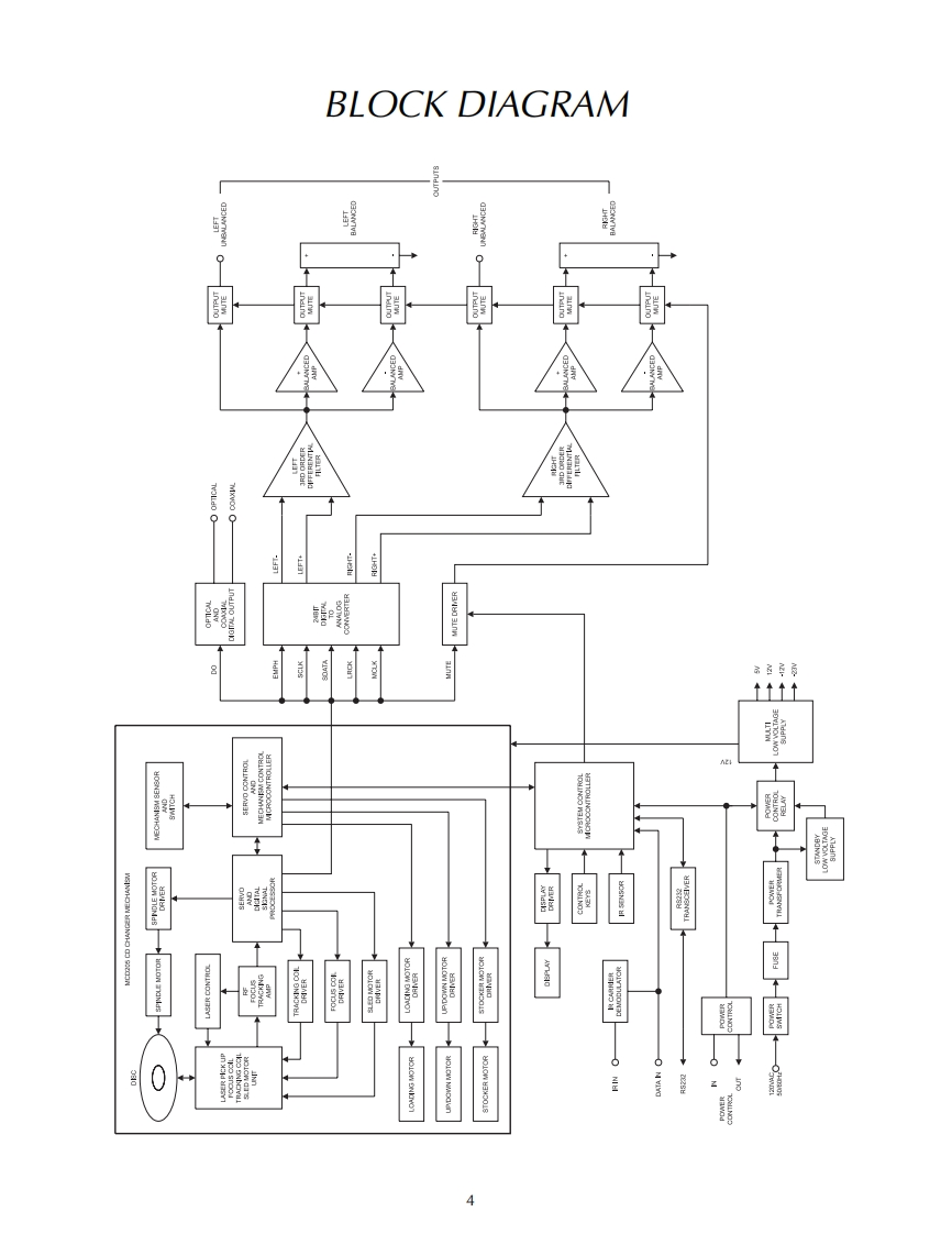
第4页 / 共13页

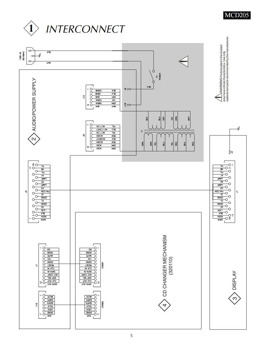
第5页 / 共13页

第6页 / 共13页

第7页 / 共13页

第8页 / 共13页

第9页 / 共13页

第10页 / 共13页
试读已结束,还剩3页,您可下载完整版后进行离线阅读
THE END
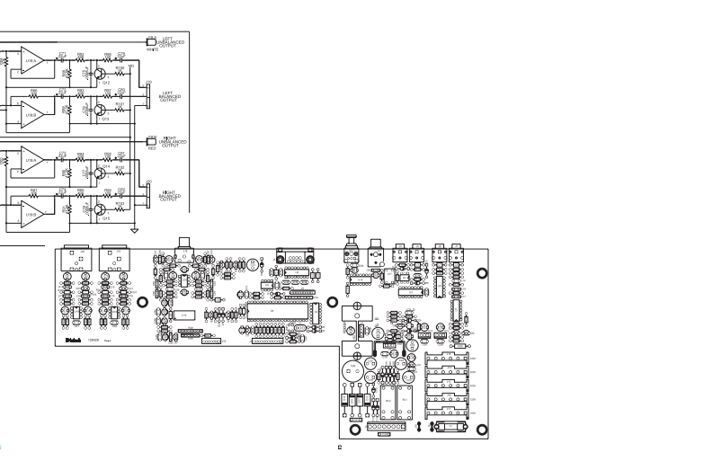
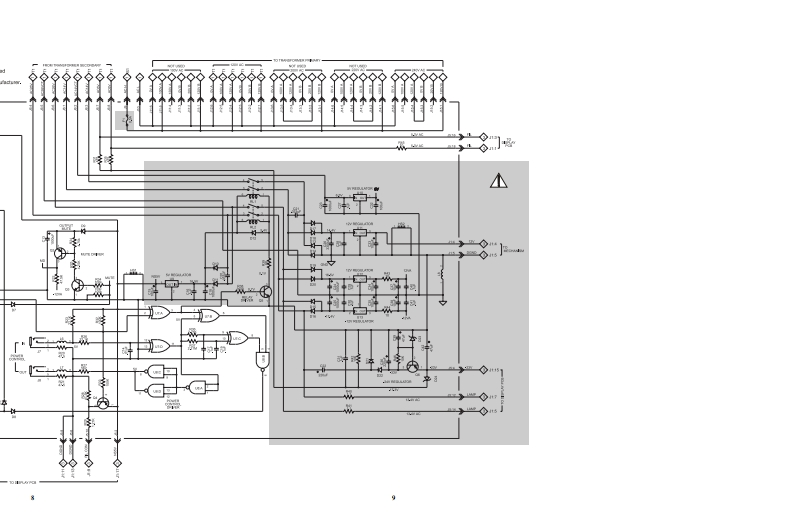
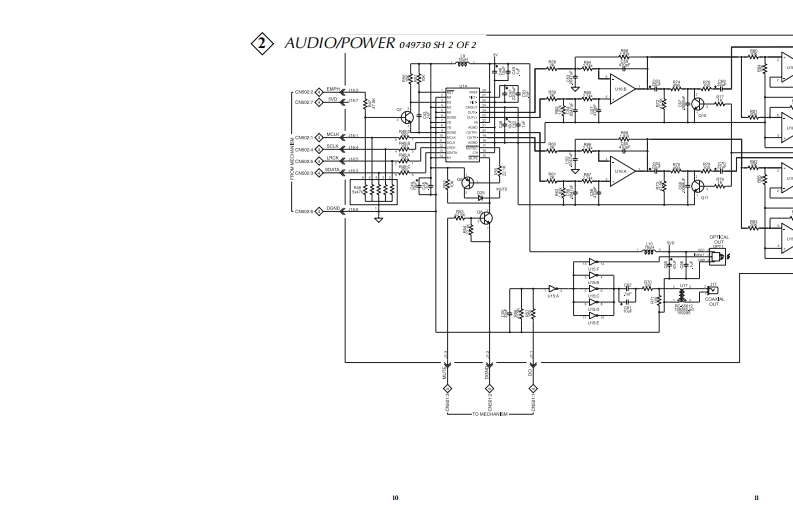
MCD205COMPACT DISCCHANGERIclnfoshMucicBowkSyawMCD205 COMPACT DISC CHANGERPLAY2.99“遥疆1啦CONTENTSPerformance Specifications2Audio/Power Schematic and PCB..7.12Notes………Display Schematic and PCB13-16Rear View and Section Location.Parts List17-18Block DiagramExploded View and Parts Lists.......19.20Interconnection Diagram ..5Repacking Instructions......21lclntoshSERVICE MANUAL
请登录后查看评论内容