

第1页 / 共26页

第2页 / 共26页

第3页 / 共26页

第4页 / 共26页

第5页 / 共26页

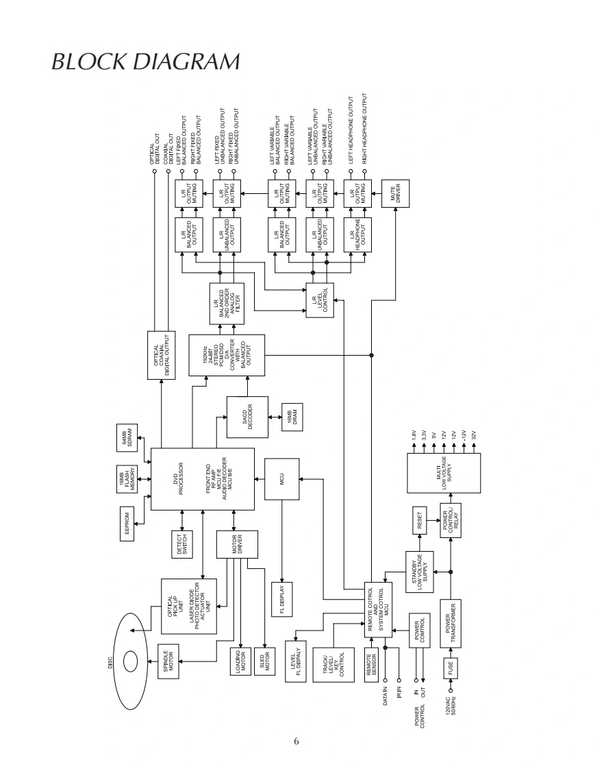
第6页 / 共26页

第7页 / 共26页

第8页 / 共26页

第9页 / 共26页

第10页 / 共26页
试读已结束,还剩16页,您可下载完整版后进行离线阅读
THE END
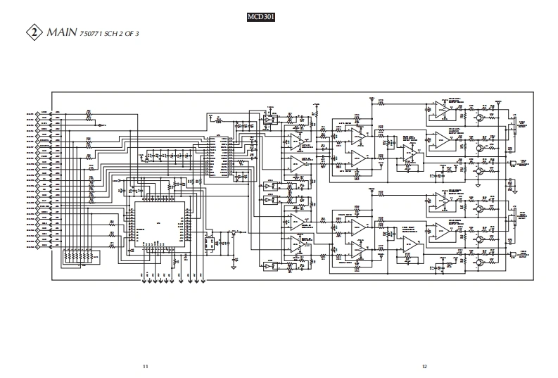
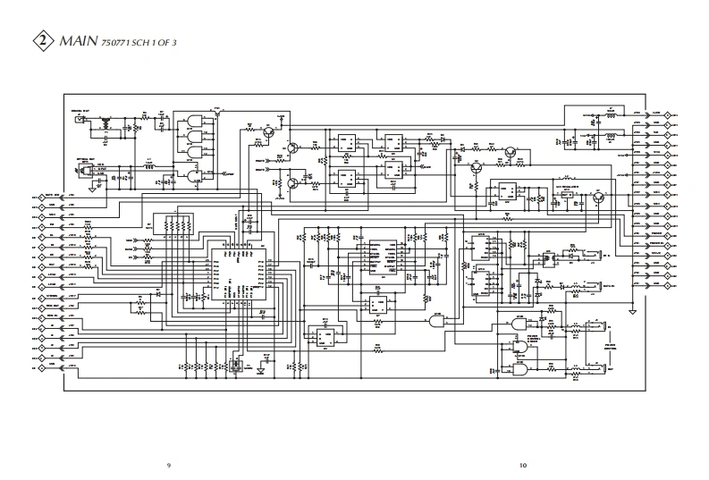
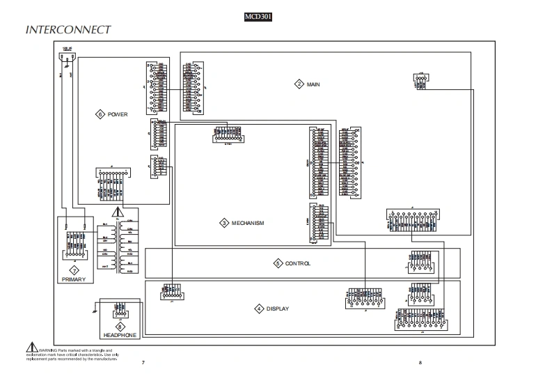
MCD301SACD /CD PLAYERSERIAL NO.YM1001 And AboveMcInfoshMCD301 SACD/CD PLAYER02:3881么CONTENTSPerformance Specifications.Display Schematic and PCB....17-20Notes.…3Control Schematic and PCB...............21-22Safety Information....3Power Schematic and PCB..23.24Rear Panel.…Primary Schematic and PCB....27-28Section Location..5Headphone Schematic and PCB........29-30Block Diagram...6Parts List31-36Interconnection Diagram.....7-8Repacking Instructions.....37Main Schematic and PCB.............9-16SERVICE MANUAL
请登录后查看评论内容