

第1页 / 共14页

第2页 / 共14页

第3页 / 共14页

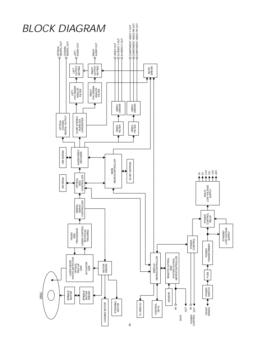
第4页 / 共14页

第5页 / 共14页

第6页 / 共14页

第7页 / 共14页

第8页 / 共14页

第9页 / 共14页

第10页 / 共14页
试读已结束,还剩4页,您可下载完整版后进行离线阅读
THE END
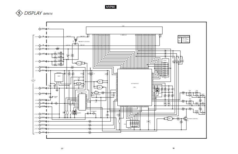
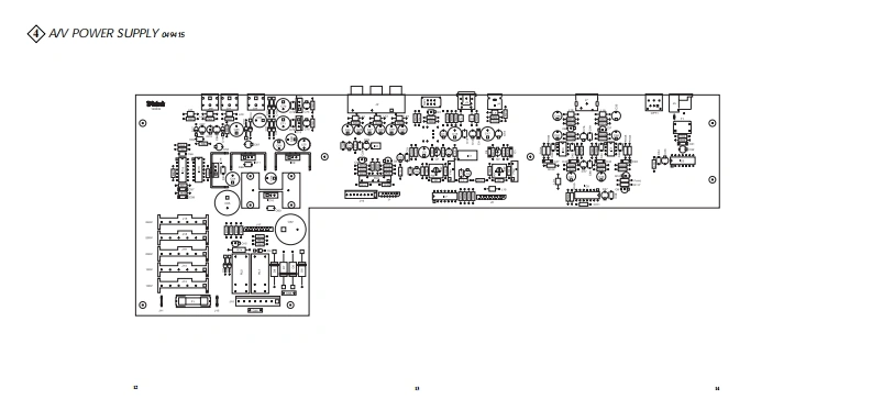
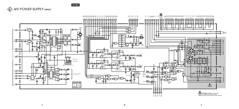
MVP841DVD/VIDEO CD/CD PLAYERMelntoshMVP841 DVD/VIDEO CO/CD PLAYER睡牌吗c252345CONTENTSPerformance Specifications.......….……..2Main........72Connector Schematic and PCB.....8Safety Information..….…A/V Power Supply Schematic and PCB.9.14Rear Panel...3Display Schematic and PCB............................15-18Section Location3Parts List.....19.20Bl0 ck Diagram…4Exploded View and Parts List.21·22Interconnection Diagram .......................................5-6Repacking Instructions.23MclnfoshSERVICE MANUAL
请登录后查看评论内容