

第1页 / 共16页

第2页 / 共16页

第3页 / 共16页

第4页 / 共16页

第5页 / 共16页

第6页 / 共16页

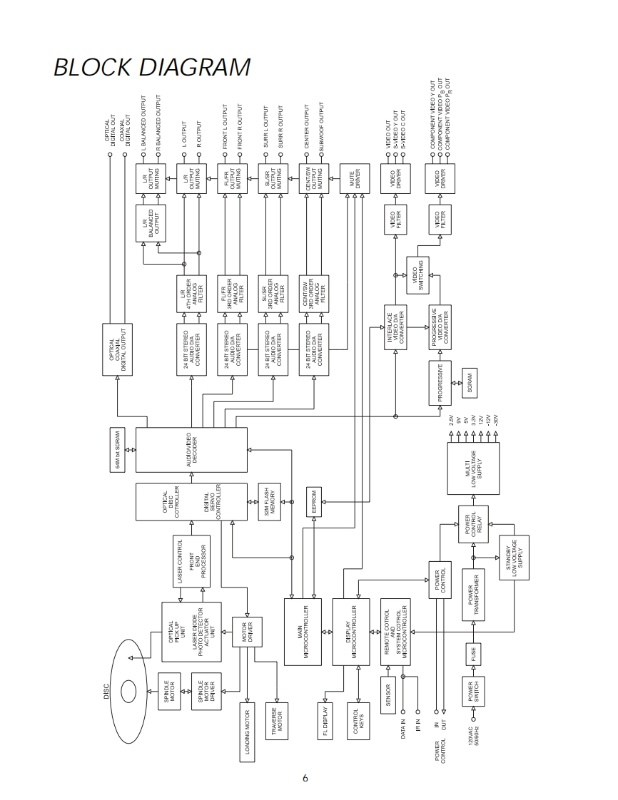
第7页 / 共16页

第8页 / 共16页

第9页 / 共16页

第10页 / 共16页
试读已结束,还剩6页,您可下载完整版后进行离线阅读
THE END
MVP851DVD AUDIO/VIDEOPLAYERMclnfoshMVP851 OVD AUDIO/VIDEO PLAYER架睡甲网国RE-MASTER贵=.1°0:00:01CONTENTSPerformance SpecificationsA/V/Power Supply Schematic and PCB.............9-14Mechanism15-16Safety Information…4Module........15.16Rear Panel .....5Display Schematic and PCB..........17.20Section Location.Parts List.Block Diagram6Exploded View and Parts List......23-24Interconnection Diagram............7.-8Repacking Instructions ....................25SERVICE MANUAL
请登录后查看评论内容