

第1页 / 共23页

第2页 / 共23页

第3页 / 共23页

第4页 / 共23页

第5页 / 共23页

第6页 / 共23页

第7页 / 共23页

第8页 / 共23页

第9页 / 共23页

第10页 / 共23页
试读已结束,还剩13页,您可下载完整版后进行离线阅读
THE END
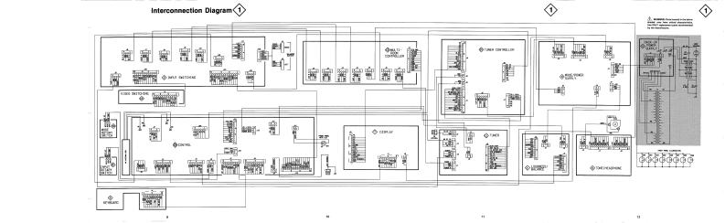
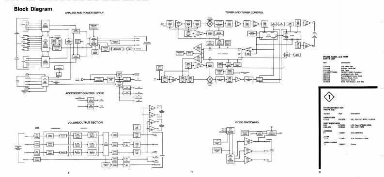
00MX118A/V TUNERCONTROL CENTERMlntoshMX118 A/TUNER CONTROL CENTERJoNOUDNESS--BALANCE1053oW网CONTENTSPerformance Specifications3-4④Loudness/Balance34-35NotesTone/Headphone36-38Rear Panel⑥Kevboard39-40Section Locations55⑦Display41-44Block Diagram6-8Mode/Power Supply45-46Front Panel Trim Parts List8Backup Power Supply47Interconnection Diagram8-12Tuner Controller47-51Input Switching13-18④Tuner52-.57Control (Dolby Function)19-23AM/FM Alignment Procedure 56-57Control (Surround Function)24-28Video Switching58-60Control (Remote Function)29-33Multi-Room Controller61-62Mode Rotary Switch24-28Repacking Instructions63Input Rotary Switch29-33mclntoshService ManualMcIntosh Laboratory Inc.2Chambers Street.Binghamton,New York 13903 Printed in U.S.A.Part No.040309
请登录后查看评论内容