

第1页 / 共22页

第2页 / 共22页

第3页 / 共22页

第4页 / 共22页

第5页 / 共22页

第6页 / 共22页

第7页 / 共22页

第8页 / 共22页

第9页 / 共22页

第10页 / 共22页
试读已结束,还剩12页,您可下载完整版后进行离线阅读
THE END
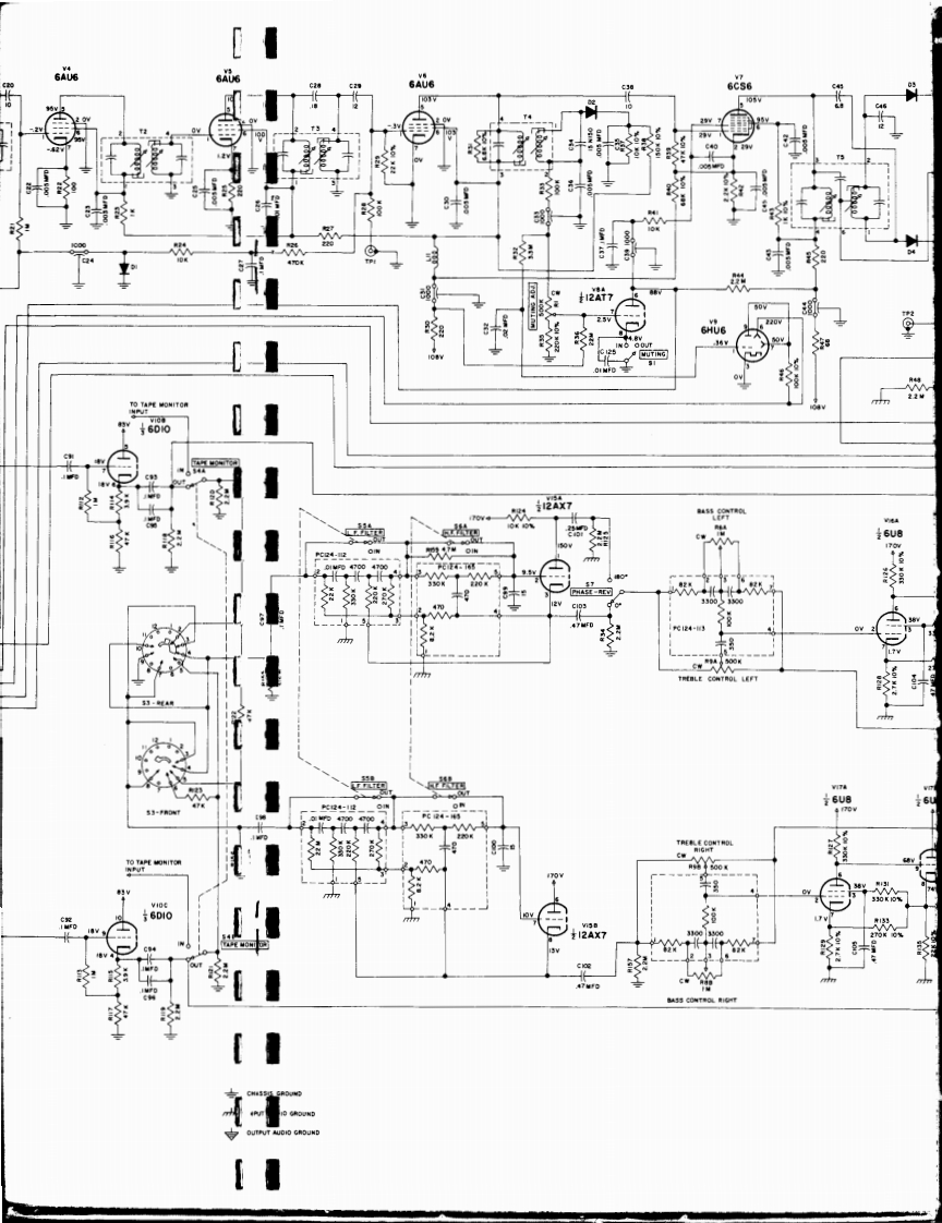
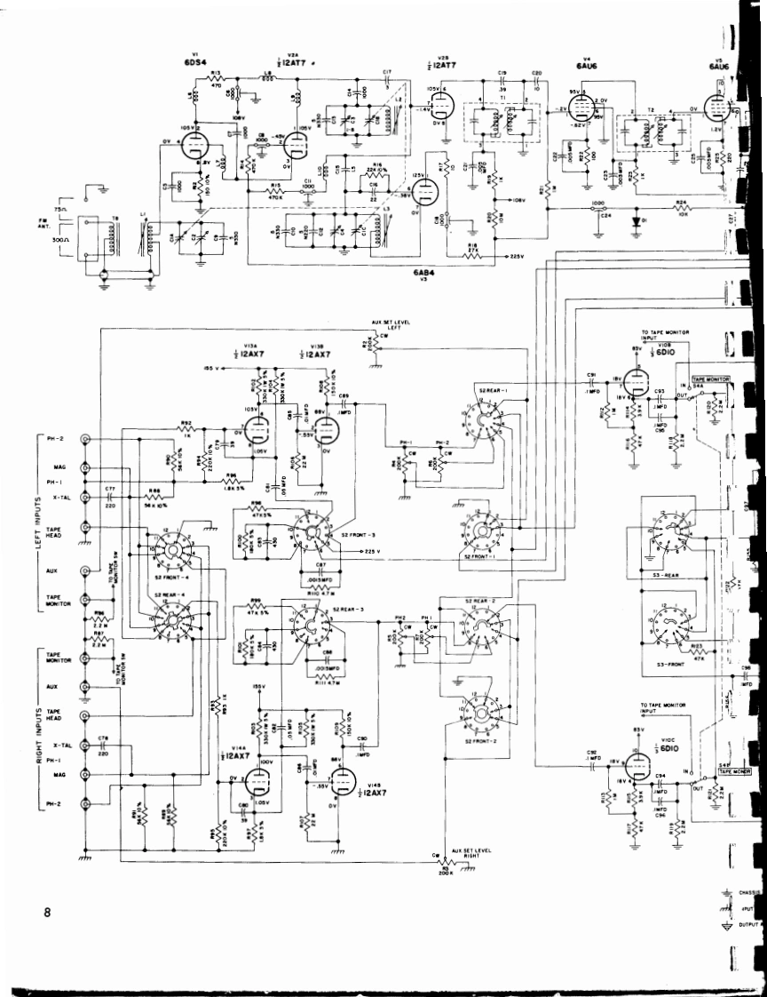
WARRANTY STATIONTEREO TUNER PREAMPLIFIERMX110SERVICE MANUAL■CONTENTSEGENERAL DESCRIPTION.TECHNICAL DESCRIPTION..............INTRODUCTION.......................3FM ALIGNMENT.·MULTIPLEX ALIGNMENT...··6SCHEMATIC..................DIAL STRINGING......................11PARTS LIST.…12SPECIFICATIONS......................16CHASSIS LAYOUT.·18OPERATING CURVES...................0M AND X SERIES SCHEMATICS......POCKETIInlosh2 CHAMBERS ST.BINGHAMTON,N.Y.llltIntosh Mx 110
请登录后查看评论内容