

第1页 / 共71页

第2页 / 共71页

第3页 / 共71页

第4页 / 共71页

第5页 / 共71页

第6页 / 共71页

第7页 / 共71页

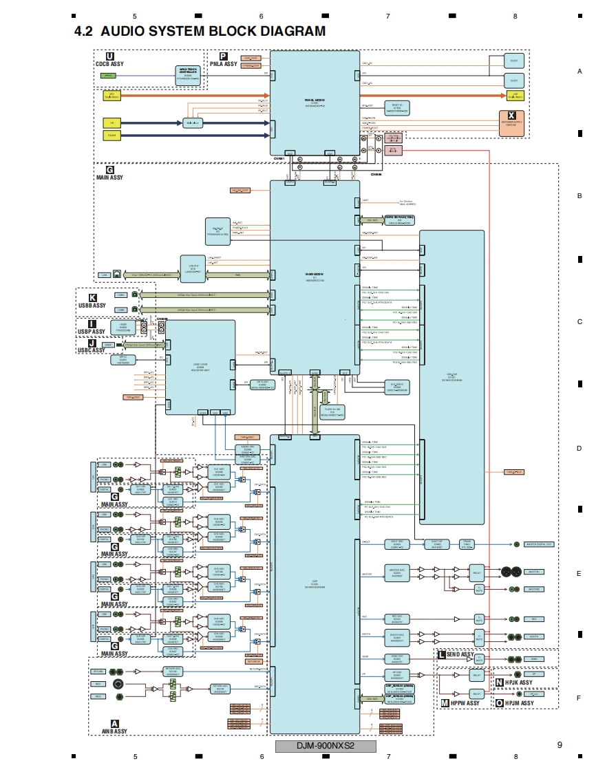
第8页 / 共71页

第9页 / 共71页

第10页 / 共71页
试读已结束,还剩61页,您可下载完整版后进行离线阅读
THE END
ServiceManualORDER NO.RRV4643DJM-900NXS2DJ MIXERDJM-900NXS2THIS MANUAL IS APPLICABLE TO THE FOLLOWING MODEL(S)AND TYPE(S).ModelTypePower RequirementRemarksDJM-900NXS2LSYXJAC 110 Vto 240 VDJM-900NXS2UXJCBAC 110 Vto 240 VDJM-900NXS2XJCNAC 220 VTHIS SERVICE MANUAL SHOULD BE USED TOGETHER WITH THE FOLLOWING MANUAL(S).ModelOrder No.RemarksDJM-900NXS2RRV4644SCHEMATIC DIAGRAM,PCB CONNECTION DIAGRAM,PCB PARTS LISTPIONEER CORPORATION 1-1,Shin-ogura,Saiwai-ku,Kawasaki-shi,Kanagawa 212-0031,JapanPIONEER ELECTRONICS (USA)INC.P.O.Box 1760,Long Beach,CA 90801-1760,U.S.A.PIONEER EUROPE NV Haven 1087,Keetberglaan 1,9120 Melsele,BelgiumPIONEER ELECTRONICS ASIACENTRE PTE.LTD.2 Jalan Kilang Barat,#07-01,Singapore 159346CPioneer DJ Corporation 2016K-MZV FEB.2016 Printed in Japan
请登录后查看评论内容