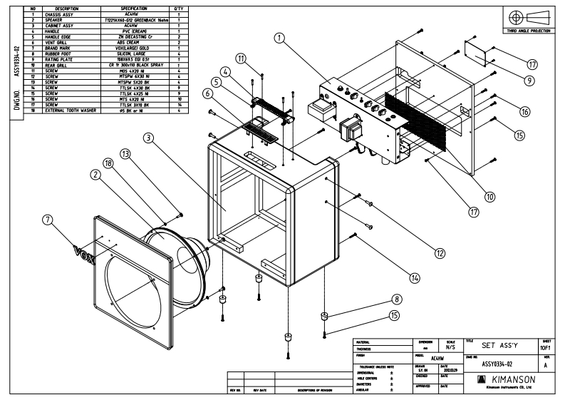
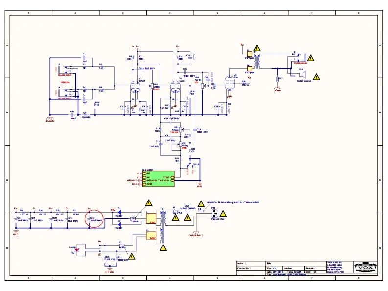
VOX-ac4hw1维修手册含电器原理图找手册网3小时前发布关注私信1.10MB6页026VOX-ac4hw1维修手册含电器原理图此内容为付费资源,请付费后查看¥19¥21黄金会员免费钻石会员免费立即购买您当前未登录!建议登陆后购买,可保存购买订单付费资源 第1页 / 共6页 第2页 / 共6页 第3页 / 共6页 第4页 / 共6页 第5页 / 共6页 第6页 / 共6页 已完成全部阅读,共6页 THE ENDBose/Ecler/Vox 文本预览 SERVICE MANUALVOXGuitar AmplifierAC4HW1TABLE OF CONTENTSAC4HW1ASSEMBL SKETCH:2SHEMATIC DIAGRAM:4TEST MODE:5PARTS LIST:6Issued:AUG.28 2012Ver.1.0@2012 VOX AMPLIFICATION LTD. 查看更多 收起部分 喜欢就支持一下吧收藏
请登录后查看评论内容