Traynor-DH15H-Schematic维修手册

Traynor-DH15H-Schematic维修手册-找手册网
Traynor-DH15H-Schematic维修手册
此内容为付费资源,请付费后查看
1921
付费资源

第1页 / 共8页

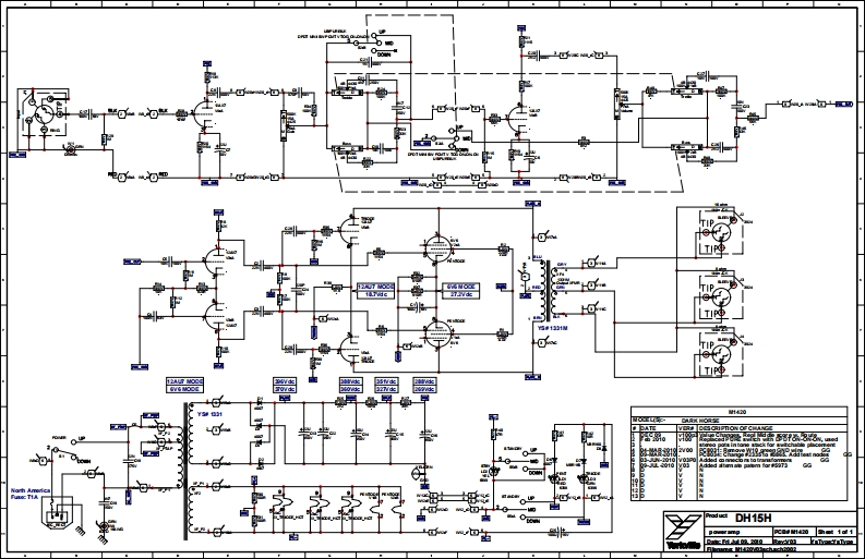
第2页 / 共8页

第3页 / 共8页

第4页 / 共8页

第5页 / 共8页

第6页 / 共8页

第7页 / 共8页

第8页 / 共8页
已完成全部阅读,共8
THE END
YorkvllleSERVICE MANUALMODEL TYPE:YS1085DarkhorseWEB ACCESS:http://www.yorkville.comDH15HWORLD HEADQUARTERSCANADAUSAYorkville SoundYorkville Sound Inc.550 Grante Court4625 Witmer Industrial EstatPickering.OntastoNagam Fall,Now'YorkL1WABY8 CANADA14305U5A6l0r30583.84810c意7162972920Fc30间8378746FC(71旬2973589YorkvllleQuality and Innovation Since 1963Nanal-Savio-Dathone-0415400-1vt.pd
喜欢就支持一下吧
评论 抢沙发

请登录后发表评论

    请登录后查看评论内容