Traynor-DH40H-Schematic维修手册

Traynor-DH40H-Schematic维修手册-找手册网
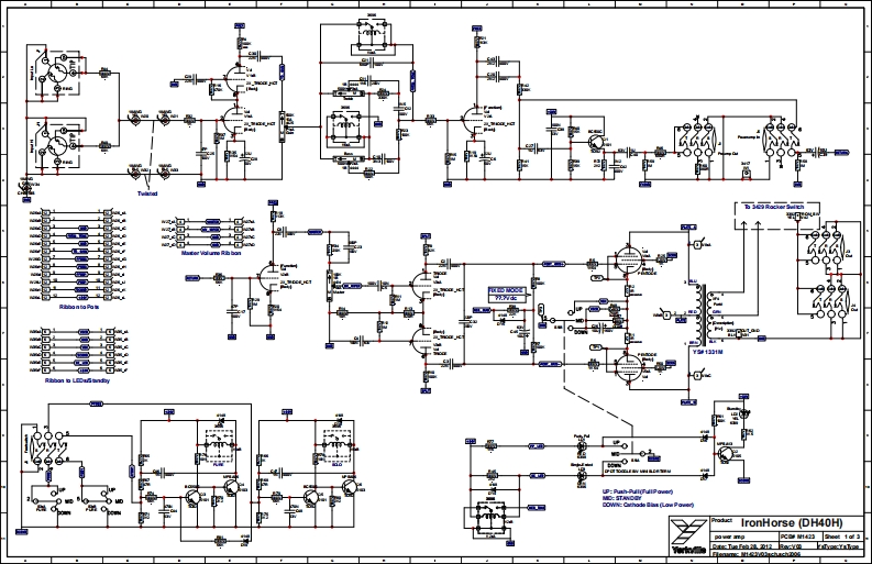
Traynor-DH40H-Schematic维修手册
此内容为付费资源,请付费后查看
1921
付费资源

第1页 / 共9页

第2页 / 共9页

第3页 / 共9页

第4页 / 共9页

第5页 / 共9页

第6页 / 共9页

第7页 / 共9页

第8页 / 共9页

第9页 / 共9页
已完成全部阅读,共9
THE END
YorkvllleSERVICE MANUALMODELTYPE:YS1092DH40HWEB ACCESS:http://www.yorkville.comIRONHORSEWORLD HEADQUARTERSCANADAUSAYorkville SoundYorkville Sound Inc.550 Grante Court4625 Witmer Industrial EstatePickoring.OntstoNagam Fall,NowYokL1WABY8 CANADA14305U5A6l0r30583.84816cg(716间2972920Fc30间8378746FC(71旬2973589YorkvllleQuality and Innovation Since 1963风e=41-5wT1c0-0a40-C8-1r1-pdE
喜欢就支持一下吧
评论 抢沙发

请登录后发表评论

    请登录后查看评论内容