

第1页 / 共21页

第2页 / 共21页

第3页 / 共21页

第4页 / 共21页

第5页 / 共21页

第6页 / 共21页

第7页 / 共21页

第8页 / 共21页

第9页 / 共21页

第10页 / 共21页
试读已结束,还剩11页,您可下载完整版后进行离线阅读
THE END
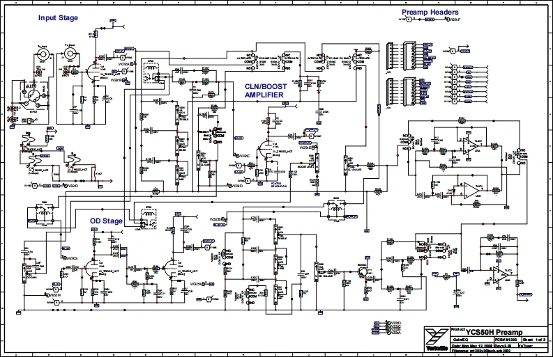
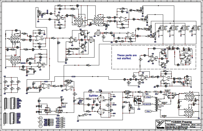
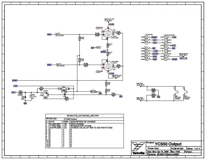
YorkvllleSERVICE MANUALMODELTYPE:YS1064TRAYNOR YCS50HWEB ACCESS:http://www.yorkviDle.comWORLD HEADQUARTERSCANADAUSA.Yorkville SoundYorkville Sound Inc.五型写550 Grante Court4625 Witmer Industrial EstatePickering.OntastoNagam Fall,NowYorkL1WABY8 CANADA14305UsA408☑②.0☑.☑☑☑40。.⑦☑0.⑦⑦⑦⑦0⑦ee06l0r3083.84816cg71间2972920Fc3058378746FC(716同2973589YorkvllleQuality and Innovation Since 1963+e内aewh:a四a
请登录后查看评论内容