

第1页 / 共18页

第2页 / 共18页

第3页 / 共18页

第4页 / 共18页

第5页 / 共18页

第6页 / 共18页

第7页 / 共18页

第8页 / 共18页

第9页 / 共18页

第10页 / 共18页
试读已结束,还剩8页,您可下载完整版后进行离线阅读
THE END
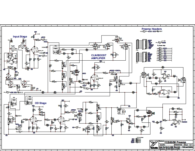
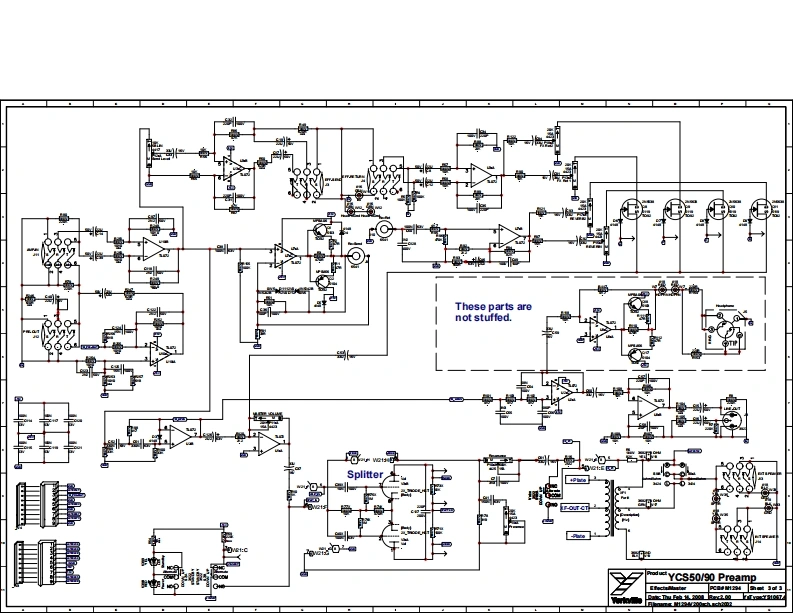
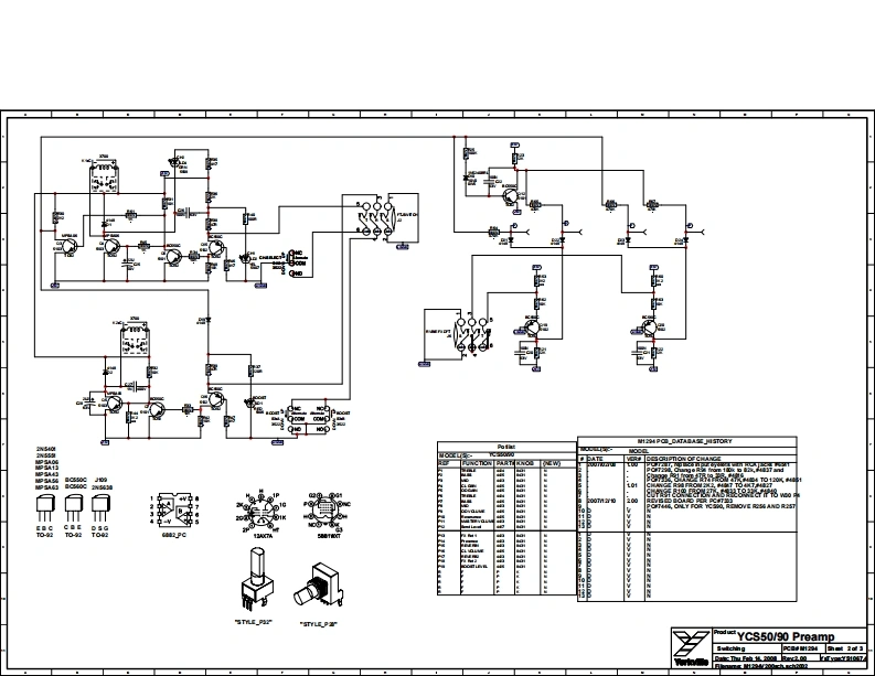
YorkvllleSERVICE MANUALMODELTYPE:YS1067TRAYNOR YCS90WEB ACCESS:http://www.yorkville .comWORLD HEADQUARTERSCANADAUSAYorkville SoundYorkville Sound Inc.550 Grante Court4625 Witmer Industrial Estate94020白0Pickering.OntastoNagam Fall,NowYorkL1WABY8 CANADA14305UsA42000008092盟6l0r30583.84810cg71间2972920F℃30间8378746FC(71旬2973589YorkvllleQuality and Innovation Since 1963M=一1gh:M3@a
请登录后查看评论内容