

第1页 / 共18页

第2页 / 共18页

第3页 / 共18页

第4页 / 共18页

第5页 / 共18页

第6页 / 共18页

第7页 / 共18页

第8页 / 共18页

第9页 / 共18页

第10页 / 共18页
试读已结束,还剩8页,您可下载完整版后进行离线阅读
THE END
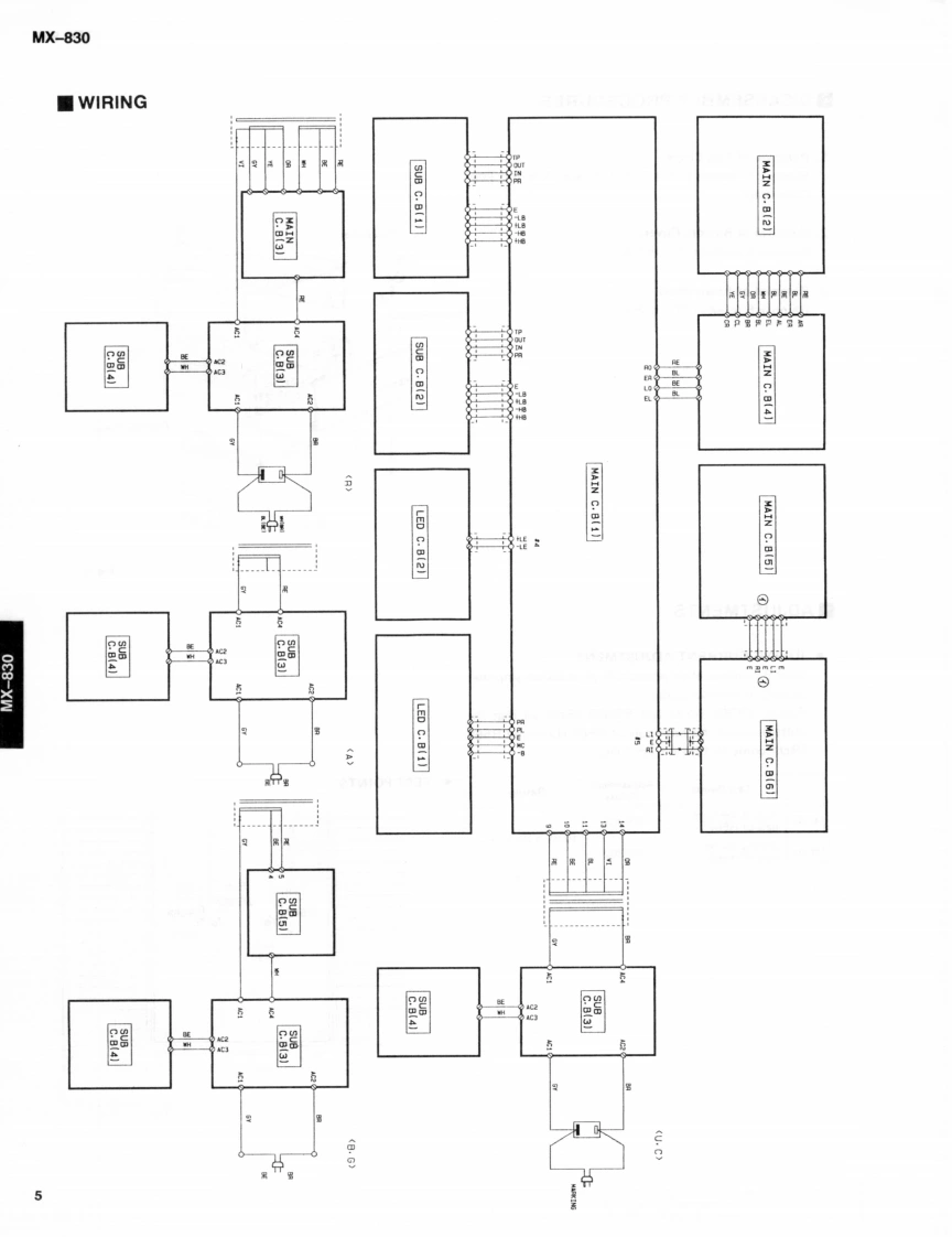
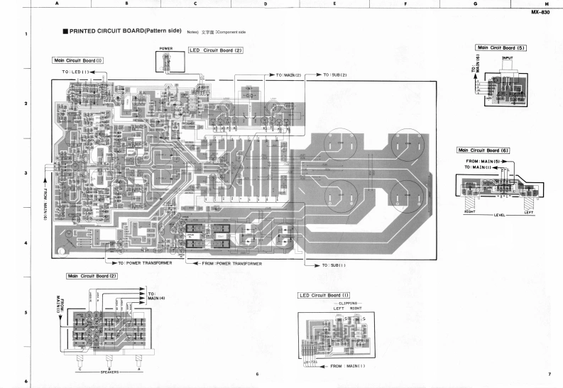
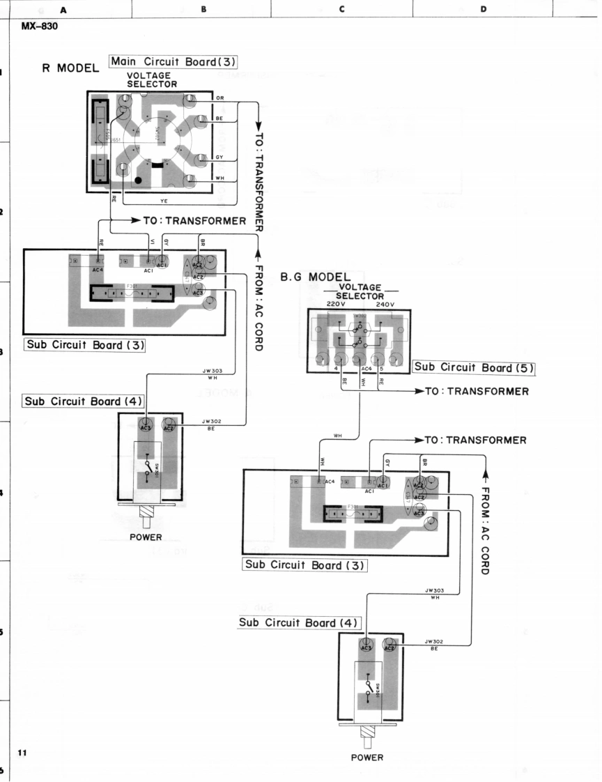
STEREO POWER AMPLIFIERMX-830SERVICE MANUAL号宁宁宁IMPORTANT NOTICEThis manual has been provided for the use of authorized Yamaha Retailers and their service personnel.It has been assumed that basic service procedures inherant to the industry,and more specifically YamahaProducts,are already known and understood by the users,and have therefore not been restated.WARNING:MX-830Failure to follow appropriate service and safety procedures when servicing this productmay result in personal injury,destruction of expensive components and failure of thenm“2Rappointed service representative.IMPRTANT:Theofthistandiany applicable technicalaei8caeapoaet noticeorobligation to retrofit.Should any discrepancy appear to exist,please contact the distributor's ServiceDivision.WARNING:Static discharges can destroy expensive components.Discharge any static electricity yourbody may have accumulated bygrounding yourself to the ground buss in the unit (heavygauge black wires connect to this buss).IMPORTANT:Turn the unit OFF during disassembly and parts replacement.Recheck all work beforeyou apply power to the unit.■CONTENTSTO SERVICE PERSONNEL...1ADJUSTMENTS…4SPECIFICATIONS…1WIRING…5REAR PANELS…2PRINTED CIRCUIT BOARD.........6-11BLOCK DIAGRAM…3SCHEMATIC DIAGRAM…12INTERNAL VIEW…3PARTS LIST…13-20DISASSEMBLY PROCEDURES4100336YAMAHAYAMAHA CORPORATIONPO.Box 1,Hamamatsu,Japan3.3K-961@Printed in Japan '90.3
请登录后查看评论内容