

第1页 / 共49页

第2页 / 共49页

第3页 / 共49页

第4页 / 共49页

第5页 / 共49页

第6页 / 共49页

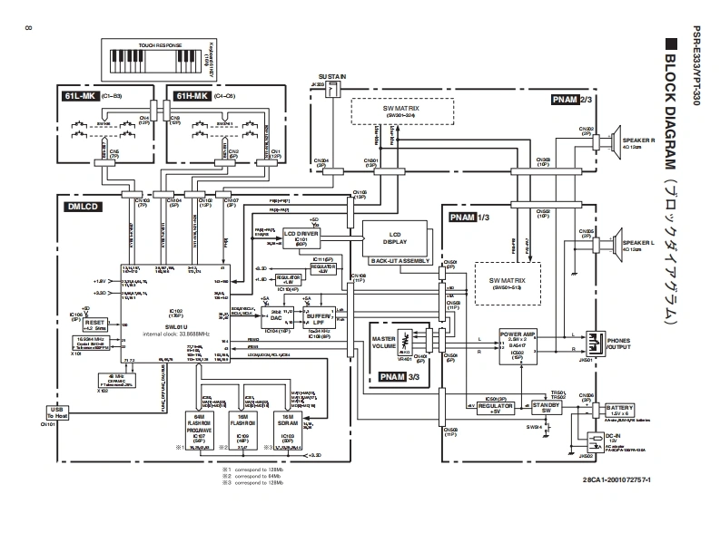
第7页 / 共49页

第8页 / 共49页

第9页 / 共49页

第10页 / 共49页
试读已结束,还剩39页,您可下载完整版后进行离线阅读
THE END
三33三3/YPT-330SERVICE MANUALPSR-E333EYPT-330*YPT-330 is an overseas export model..(YPT-330休输出專用毛于儿寸。)■CONTENTS(目次)SPECIFICATIONS(稔合仕樣)3/4PANEL LAYOUT(Iパ礻儿T卜)..5CIRCUIT BOARD LAYOUT WIRING(工二y卜y了ヴ卜&結線☒)BLOCK DIAGRAM(ブ口y夕ダ亻5ラ厶).7.8DISASSEMBLY PROCEDURE(分解手順)9LSI PIN DESCRIPTION(LSI端子機能表)15CIRCUIT BOARDS(-卜基板☒)....17TEST PROGRAM(テ又卜プ口5ラ厶)2124BACKUP(/fy夕了y).27/28INITIALIZATION(初期化).....27/28Products names are as follows.CONNECTING A PERSONAL COMPUTER(商品名体以下0女仁在)丰寸。)(口上1一夕一之接続寸石)29/30For Japanese market(国内向(寸):TRANSFERRING DATA BETWEEN THE PSR-E333/YPT-330 and a COMPUTERPORTATONE(PSR-E333彐>七1-夕-0間下デ-夕卷送受信寸百)3133SYSTEM BOOTING FLOWCHARTFor overseas market(海外向(寸):(起動7口一于ヤ-卜).35/36DIGITAL KEYBOARDPARTS LISTOVERALL CIRCUIT DIAGRAM(豁回路☒)PK001852YAMAHAHAMAMATSU,JAPANCopyright (c)Yamaha Corporation.All rights reserved.PDF '11.03
请登录后查看评论内容