Traynor-YCV20-Schematic维修手册

Traynor-YCV20-Schematic维修手册-找手册网
Traynor-YCV20-Schematic维修手册
此内容为付费资源,请付费后查看
1921
付费资源

第1页 / 共10页

第2页 / 共10页

第3页 / 共10页

第4页 / 共10页

第5页 / 共10页

第6页 / 共10页

第7页 / 共10页

第8页 / 共10页

第9页 / 共10页

第10页 / 共10页
已完成全部阅读,共10
THE END
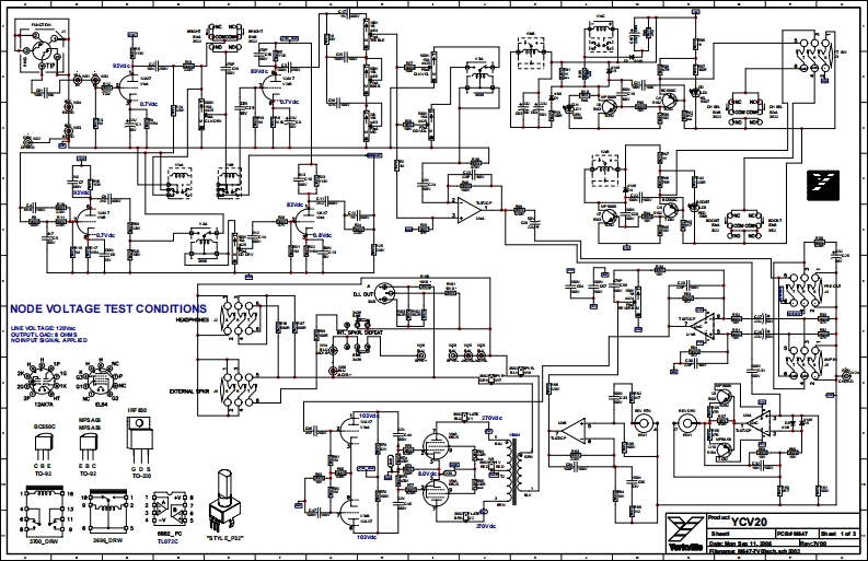
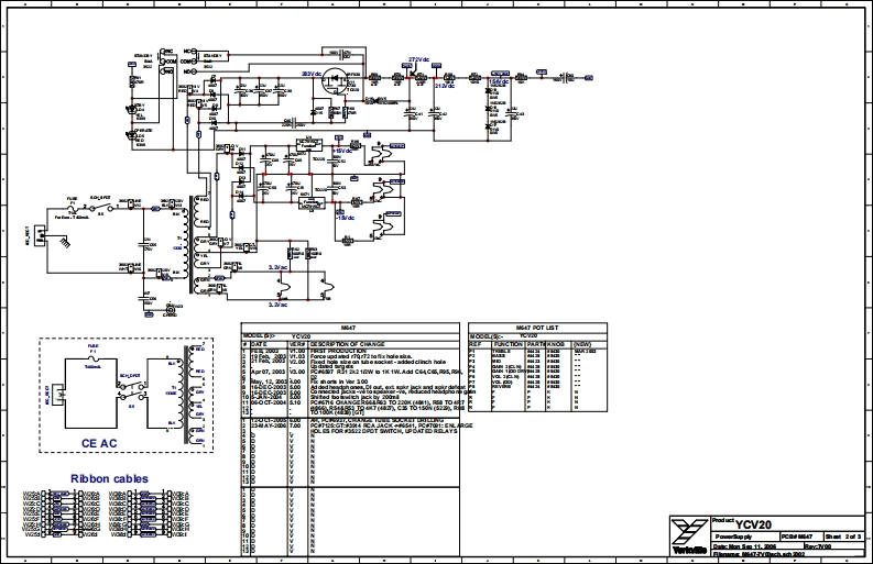
YorkvilleSERVICE MANUALYCV20·Series2WEB ACCESS:http://www.yorkville.comTraynor Custom Valve 20WORLD HEADQUARTERSCANADAUSAYorkville SoundYorkville Sound Inc.550 Grante Court4625 Wiamer Industial EstatePickoring.OntstoMgF北.NwtL1WA3Y8 CANADA14305U5A6l0r30583.84816cg716间2972920Fc30间8378746FC(71旬2973589YorkvilleQuality and Innovation Since 1963h✉tahf
喜欢就支持一下吧
评论 抢沙发

请登录后发表评论

    请登录后查看评论内容