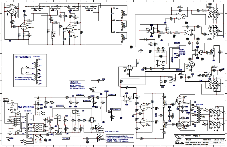
Traynor-YGL1-Schematic维修手册找手册网20天前发布关注私信0.92MB10页033Traynor-YGL1-Schematic维修手册此内容为付费资源,请付费后查看¥19¥21黄金会员免费钻石会员免费登录购买付费资源 第1页 / 共10页 第2页 / 共10页 第3页 / 共10页 第4页 / 共10页 第5页 / 共10页 第6页 / 共10页 第7页 / 共10页 第8页 / 共10页 第9页 / 共10页 第10页 / 共10页 已完成全部阅读,共10页 THE ENDACCUPHASE/Yorkville 文本预览 YorkvllleSERVICE MANUALMODELTYPE:YS1094Traynor YGL1WEB ACCESS:http://www.yorkville.comWORLD HEADQUARTERSCANADAUSAYorkville SoundYorkville Sound Inc.550 Grante Court4625 Witmer Industrial EstatePickoring.OntstoNagam Fall,NowYokL1WABY8 CANADA14305U5A6l0r30583.84816cg716间2972920Fc30间8378746FC(71旬2973589YorkvllleQuality and Innovation Since 1963 查看更多 收起部分 喜欢就支持一下吧收藏
请登录后查看评论内容