

第1页 / 共11页

第2页 / 共11页

第3页 / 共11页

第4页 / 共11页

第5页 / 共11页

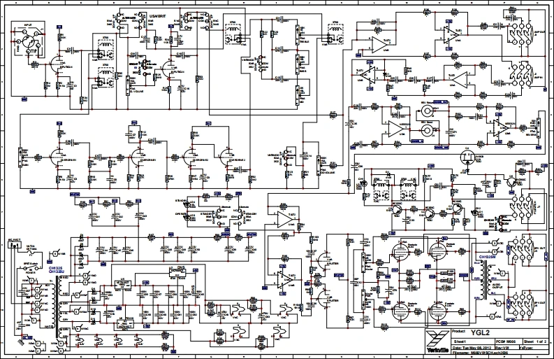
第6页 / 共11页

第7页 / 共11页

第8页 / 共11页

第9页 / 共11页

第10页 / 共11页
试读已结束,还剩1页,您可下载完整版后进行离线阅读
THE END
YorkvilleSERVICE MANUALMODELTYPE:YS1095Traynor YGL2WEB ACCESS:http://www.yorkviDle.comWORLD HEADQUARTERSCANADAUSA.Yorkville SoundYorkville Sound Inc.550 Grante Court4625Witmer Industrial EstatePickoring.OntatoNagam Fall,NowYokL1WA3Y8 CANADA14305UsA●0.0.00⑩⑩。6l0r30583.84816lcg(71间2972920写Fc30间8378746FC(716同2973589YorkvllleQuality and Innovation Since 1963Massal-SerTiee-YG.2-00-1TO.pdf
请登录后查看评论内容