

第1页 / 共15页

第2页 / 共15页

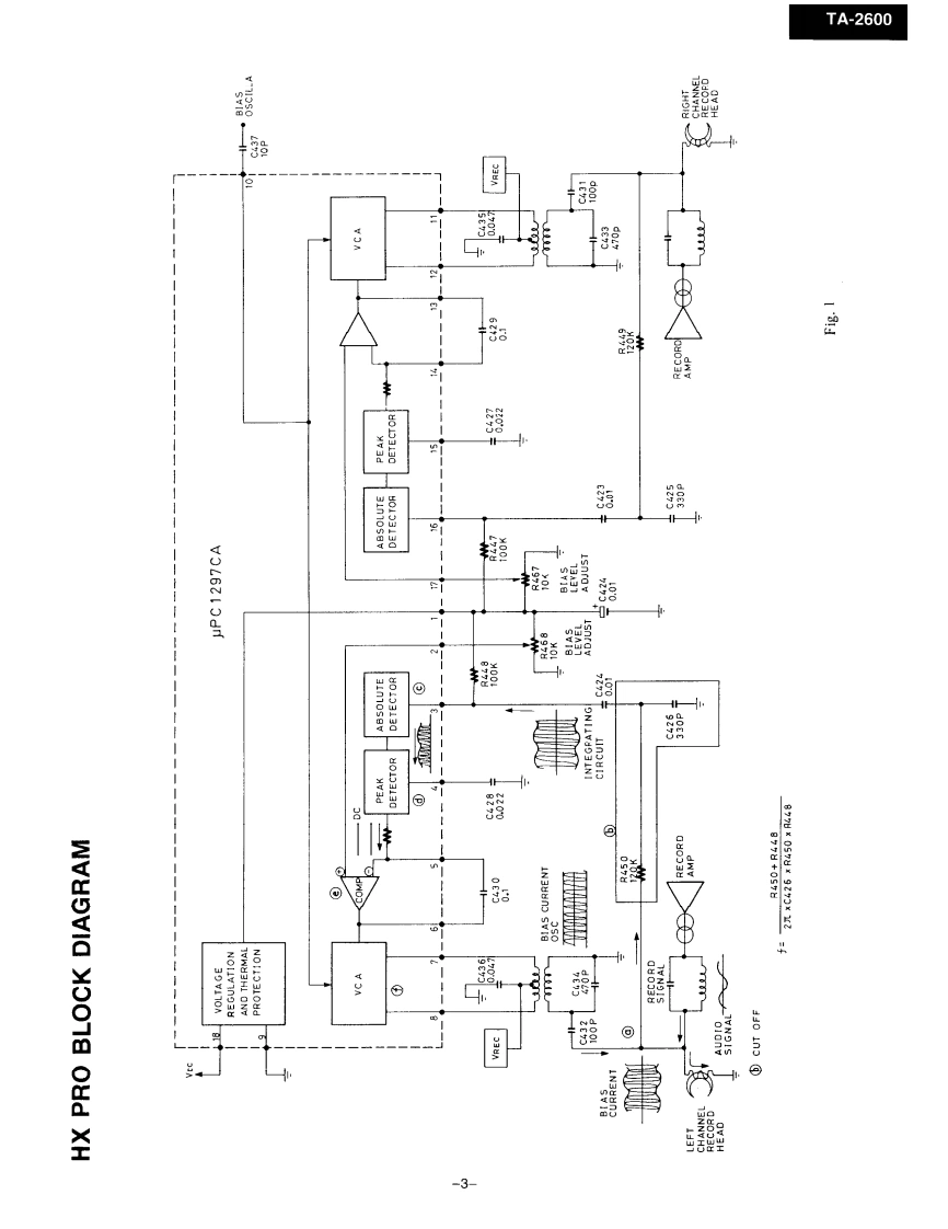
第3页 / 共15页

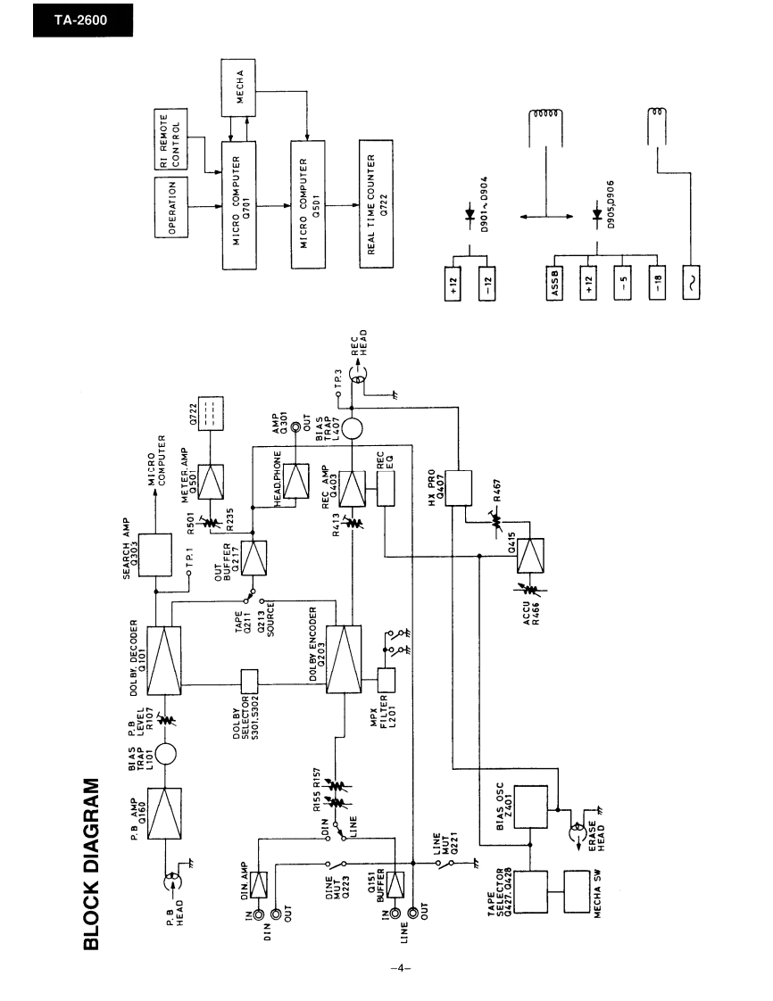
第4页 / 共15页

第5页 / 共15页

第6页 / 共15页

第7页 / 共15页

第8页 / 共15页

第9页 / 共15页

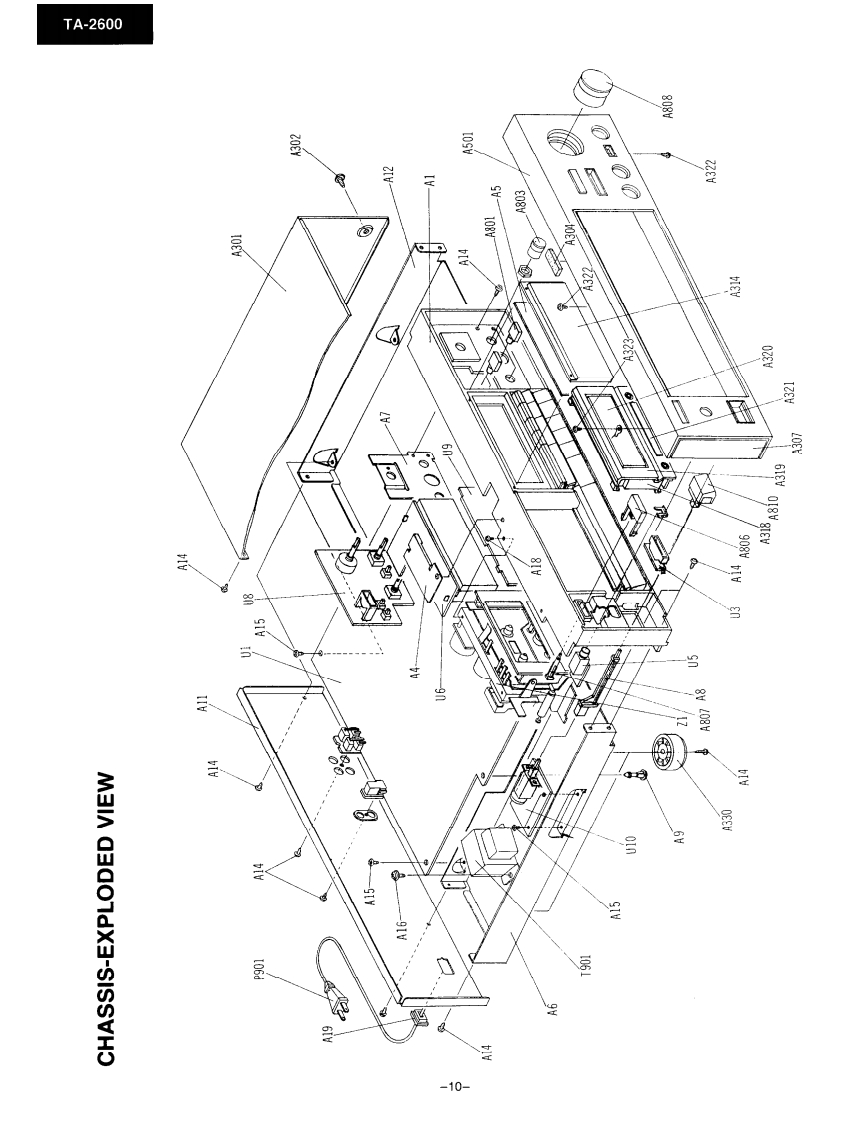
第10页 / 共15页
试读已结束,还剩5页,您可下载完整版后进行离线阅读
THE END
TA-2600SERIAL NO.3300ONKYOSERVICE MANUALSTEREO CASSETTETAPE DECKMODEL TA-260004。kUD,UD⊙120V AC.60HZUG220V AC.50HzUW120or220VAC.50/60HzUOA.UOB240V AC.50HzSPECIFICATIONSTrack Format:4-tracks,2-channelsErasing System:AC eraseTape Speed:4.8cm/sRc.(1-7/8i.p.s.)Wow and Flutter:0.045%WRMS)Frequency Response:20-17,000Hz (Normal)SAFETY-RELATED COMPONENT WARNING!!(30-16,000Hz±3dB)20-18,000Hz (High)COMPONENTS IDENTIFIED BY MARK ON(30-17,000Hz±3dB)THE SCHEMATIC DIAGRAM AND IN THE PARTS20-19,000Hz(MetaLIST ARE CRITICAL FOR RISK OF FIRE AND(30-18,000H2±3dB)ELECTRIC SHOCK.REPLACE THESE COM-S/N Ratio:60dB (metal tape,Dolby NR off)A noise reduction of 10dB above 5kHzPONENTS WITH ONKYO PARTS WHOSE PARTSand 5dB at 1kHz is possible with Dolby BNUMBERS APPEAR AS SHOWN IN THIS MANUAL.NR.A noise reduction of 20dB at 5kHz ispossible with Dolby C NR.MAKE LEAKAGE-CURRENT OR RESISTANCEInput Jacks:Line IN:2MEASUREMENTS TO DETERMINE THATInput censitivity:60mVEXPOSED PARTS ARE ACCEPTABLY IN-Input impedance:50kohmsOutputs:Line OUT:2SULATED FROM THE SUPPLY CIRCUIT BEFOREStandard output level:500mV (odB)RETURNING THE APPLIANCE TO THEOptimum load impedance:overCUSTOMER.50 kohmsHeadphone jack:1Optimum load impedance:8 to 200ohmsMotors:DC servo motor:1DC motor:2Heads:REC/PB:Special Hard Permalloy x 1;Erase head:Ferrite x 1Power Supply Rating:U.K.and Australian models:AC 240V,50HzU.S.A.and Canadian models:ONKYOAC 120V,60HzWorldwide models:AC 120V and 220V switchable.50/60HzAUDIO COMPONENTSPower Consumption:19 wattsDimensions:4350×132H)X366D)mm(17-1/8×53/16"×143/89Weight:5.8kg.(12.8bs.)Specifications and external appearance are subject to changewithout notice because of product improvements.
请登录后查看评论内容